找回密码
 立即注册
楼主: 神农鼎

便宜的车规-FOC,24万转@STC32G12K128-24A车规,STC-FOC 新算法库,2/5更新

 火.. [复制链接]
  • 打卡等级:以坛为家II
  • 打卡总天数:584
  • 最近打卡:2026-04-03 09:26:55

13

主题

137

回帖

2436

积分

金牌会员

积分
2436
发表于 2025-8-28 18:32:53 | 显示全部楼层
例程里的电路图是完整的   我怎么没找到例程的完整程序呢??    好像只有FOC库   
回复

使用道具 举报 送花

  • 打卡等级:常住居民III
  • 打卡总天数:131
  • 最近打卡:2026-03-19 08:19:48

11

主题

171

回帖

306

积分

中级会员

积分
306
发表于 2025-8-28 21:10:44 | 显示全部楼层
王工,梁工,你们好。
按照你们的方法,现在开环启动失败后,PWM会全部关断保护了。
但是现在的问题是电机进入不了闭环,视频如下。
我按照说明书所写,调整了
Ref_Zero_Angle_Start(100-4000) 和 Ref_DTIME(30000-70000) 参数,
但是还是进入不了闭环,请问是怎么回事?

20250828_210347.mp4

60.46 MB, 下载次数: 56

点评

建议不要随便调整Ref_Zero_Angle_Start 不过可以调整一下Ref_DTIME和启动最小时间,让电机开环转的更快,就越容易切入闭环 不然检测到换向时间波动的时候,基于滤波机制,电机就会一直等待换向时间稳定而不进入闭环  详情 回复 发表于 2025-8-29 09:16
回复

使用道具 举报 送花

  • 打卡等级:以坛为家III
  • 打卡总天数:698
  • 最近打卡:2026-04-06 12:12:34
已绑定手机
已实名认证

130

主题

3395

回帖

8849

积分

版主

积分
8849
发表于 2025-8-29 09:16:03 | 显示全部楼层
HUHU*** 发表于 2025-8-28 21:10
王工,梁工,你们好。
按照你们的方法,现在开环启动失败后,PWM会全部关断保护了。
但是现在的问题是电机 ...

建议不要随便调整Ref_Zero_Angle_Start
不过可以调整一下Ref_DTIME和启动最小时间,让电机开环转的更快,就越容易切入闭环
不然检测到换向时间波动的时候,基于滤波机制,电机就会一直等待换向时间稳定而不进入闭环程序
回复

使用道具 举报 送花

  • 打卡等级:常住居民III
  • 打卡总天数:131
  • 最近打卡:2026-03-19 08:19:48

11

主题

171

回帖

306

积分

中级会员

积分
306
发表于 2025-8-29 09:54:18 | 显示全部楼层
王工,请问启动最小时间调节哪一个参数

点评

ref_min_freq,和ref_max_freq 让其结束前能转的更快就行了  详情 回复 发表于 2025-8-29 13:43
回复

使用道具 举报 送花

  • 打卡等级:偶尔看看III
  • 打卡总天数:49
  • 最近打卡:2026-02-03 20:29:55
已绑定手机

17

主题

42

回帖

160

积分

注册会员

积分
160
发表于 2025-8-29 10:41:42 | 显示全部楼层

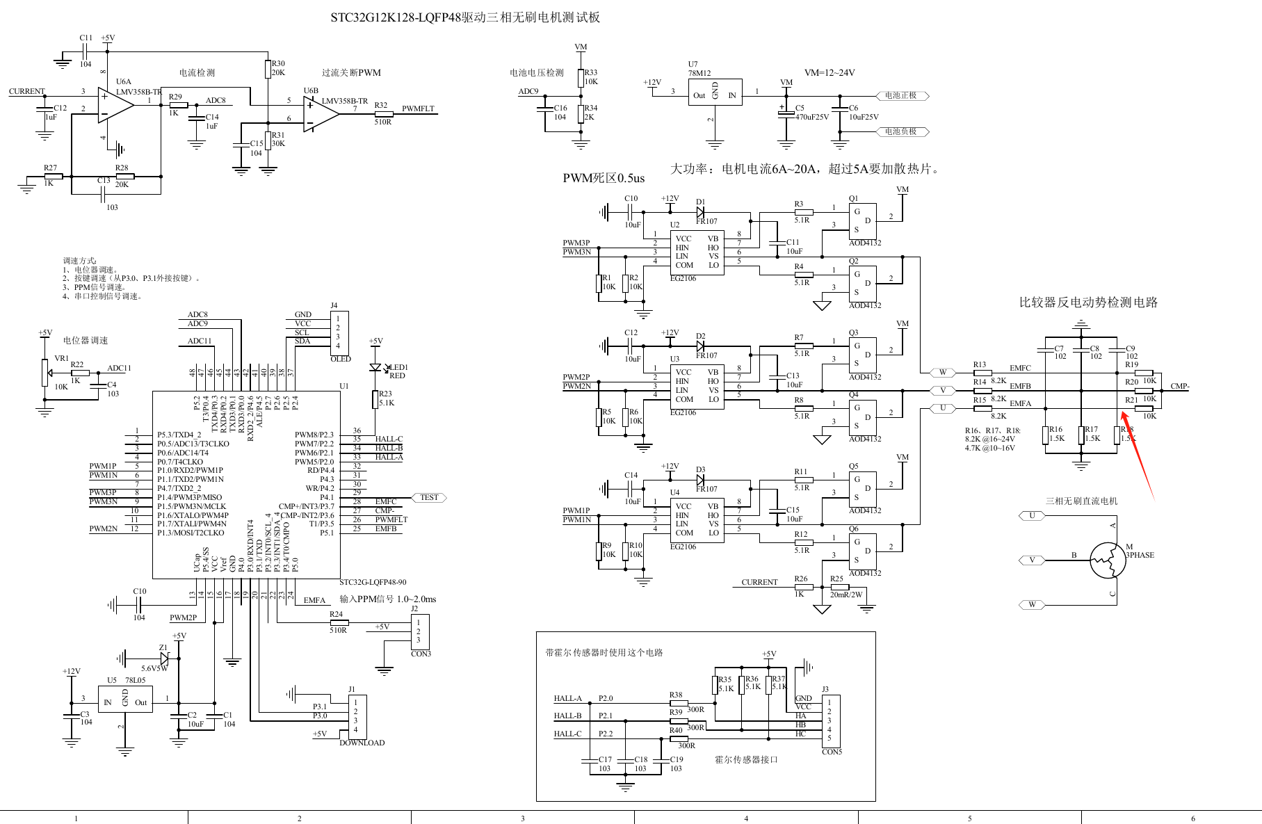
求大佬解答

image.png

  • 这个是常规的反电动势比较的方法。三个电阻并联在电机三个输出端。电阻的中心点的电压,就是电机绕组中心点的电压。

image.png

  • 这个电路只用了两个电阻是如何检测反电动势,换向的,可以解释一下原理么。

点评

这个只需要检测U相的反电动势过0点即可,所以值需要U相、V相的信号分压即可。  详情 回复 发表于 2025-8-29 10:55
回复

使用道具 举报 送花

  • 打卡等级:以坛为家I
  • 打卡总天数:316
  • 最近打卡:2026-04-05 22:03:37

85

主题

7317

回帖

1万

积分

超级版主

积分
15743
发表于 2025-8-29 10:55:54 | 显示全部楼层

这个只需要检测U相的反电动势过0点即可,所以值需要U相、V相的信号分压即可。
回复

使用道具 举报 送花

  • 打卡等级:以坛为家III
  • 打卡总天数:698
  • 最近打卡:2026-04-06 12:12:34
已绑定手机
已实名认证

130

主题

3395

回帖

8849

积分

版主

积分
8849
发表于 2025-8-29 13:43:52 | 显示全部楼层
HUHU*** 发表于 2025-8-29 09:54
王工,请问启动最小时间调节哪一个参数

ref_min_freq,和ref_max_freq
让其结束前能转的更快就行了
回复

使用道具 举报 送花

  • 打卡等级:常住居民III
  • 打卡总天数:131
  • 最近打卡:2026-03-19 08:19:48

11

主题

171

回帖

306

积分

中级会员

积分
306
发表于 2025-8-29 14:35:21 | 显示全部楼层
王工,按照你说的调整,现在启转也是比较顺畅了,但是还是无法进入闭环模式,这是视频,麻烦帮我看看还有哪些参数可以调整

20250829_142757.mp4

25.32 MB, 下载次数: 44

点评

是的,这样的速度完全可以切入闭环了。至于没有切入闭环 我怀疑可能是传感部分没有配置正确,可以贴出你对于传感输入部分的配置和电路图? 这个完全没有闭环的感觉,应该是根本没有检测到传感器信号  详情 回复 发表于 2025-8-29 17:27
回复

使用道具 举报 送花

  • 打卡等级:以坛为家III
  • 打卡总天数:698
  • 最近打卡:2026-04-06 12:12:34
已绑定手机
已实名认证

130

主题

3395

回帖

8849

积分

版主

积分
8849
发表于 2025-8-29 17:27:12 | 显示全部楼层
HUHU*** 发表于 2025-8-29 14:35
王工,按照你说的调整,现在启转也是比较顺畅了,但是还是无法进入闭环模式,这是视频,麻烦帮我看看还有哪 ...

是的,这样的速度完全可以切入闭环了。至于没有切入闭环
我怀疑可能是传感部分没有配置正确,可以贴出你对于传感输入部分的配置程序和电路图?
这个完全没有闭环的感觉,应该是根本没有检测到传感器信号
回复

使用道具 举报 送花

  • 打卡等级:常住居民III
  • 打卡总天数:131
  • 最近打卡:2026-03-19 08:19:48

11

主题

171

回帖

306

积分

中级会员

积分
306
发表于 2025-8-29 17:34:29 | 显示全部楼层
王工,CMP的程序配置和给出的例程是一致的,原理图如下,由于您上次说ADC没有用到,因此其中的R25和R26我就没有焊接
截图202508291731348395.jpg
回复

使用道具 举报 送花

您需要登录后才可以回帖 登录 | 立即注册

本版积分规则

QQ|手机版|深圳国芯人工智能有限公司 ( 粤ICP备2022108929号-2 )

GMT+8, 2026-4-7 03:27 , Processed in 0.127008 second(s), 98 queries .

Powered by Discuz! X3.5

© 2001-2026 Discuz! Team.

快速回复 返回顶部 返回列表