找回密码
 立即注册
楼主: 神农鼎

最便宜的 车规-FOC,24万转@STC32G12K128-24A车规,STC-FOC 新算法库,9/8

  [复制链接]
  • 打卡等级:以坛为家II
  • 打卡总天数:591
  • 最近打卡:2025-10-15 09:49:21
已绑定手机
已实名认证

116

主题

2889

回帖

7364

积分

版主

积分
7364
发表于 2025-9-11 11:50:01 | 显示全部楼层
haimin*** 发表于 2025-9-10 20:58
这个采样只针对CMP,有没有涉及到ADC

目前还没有,但是后续的零低速闭环是需要使用adc进行注入采样的
回复

使用道具 举报 送花

  • 打卡等级:以坛为家II
  • 打卡总天数:591
  • 最近打卡:2025-10-15 09:49:21
已绑定手机
已实名认证

116

主题

2889

回帖

7364

积分

版主

积分
7364
发表于 2025-9-11 15:51:13 | 显示全部楼层
irop*** 发表于 2025-9-11 11:29
这个硬件和更新后的软件使用在负载小的风扇没有问题,能正常启动。
但用于压缩泵类就启动不了,开环没问题 ...

截图202509111548385993.jpg

您好,已更新,可以下载最新的FOC程序进行使用
截图202509111551107207.jpg
回复

使用道具 举报 送花

  • 打卡等级:以坛为家I
  • 打卡总天数:219
  • 最近打卡:2025-10-15 09:53:28

0

主题

31

回帖

576

积分

高级会员

积分
576
发表于 2025-9-11 16:46:27 | 显示全部楼层
王*** 发表于 2025-9-8 12:45
2025年9月11日 新 更新 STC-FOC库,提供完整的项目程序

Stc_Foc_Start()进入后,电机能启动转起来,执行完Stc_Foc_Start()后电机就立即停止,是没有启动成功吗,

点评

是的,这个时候可以尝试用手拧一下电机,看看能否切入闭环。(启动失败后会一直等待再次进入闭环) 如果不能的话,需要检查采样部分是否和官方电路图一致。 还有,请使用最新的程序,程序更改多次,使用旧程序可能会  详情 回复 发表于 2025-9-11 17:13
回复

使用道具 举报 送花

  • 打卡等级:以坛为家II
  • 打卡总天数:591
  • 最近打卡:2025-10-15 09:49:21
已绑定手机
已实名认证

116

主题

2889

回帖

7364

积分

版主

积分
7364
发表于 2025-9-11 17:13:58 | 显示全部楼层
ybw62*** 发表于 2025-9-11 16:46
Stc_Foc_Start()进入后,电机能启动转起来,执行完Stc_Foc_Start()后电机就立即停止,是没有启动成功吗, ...

是的,这个时候可以尝试用手拧一下电机,看看能否切入闭环。(启动失败后会一直等待再次进入闭环)
如果不能的话,需要检查采样部分是否和官方电路图一致。
还有,请使用最新的程序,程序更改多次,使用旧程序可能会存在一些bug,最新的程序都已修复
回复

使用道具 举报 送花

  • 打卡等级:常住居民III
  • 打卡总天数:106
  • 最近打卡:2025-10-14 17:02:52

9

主题

141

回帖

515

积分

高级会员

积分
515
发表于 2025-9-12 09:51:52 | 显示全部楼层
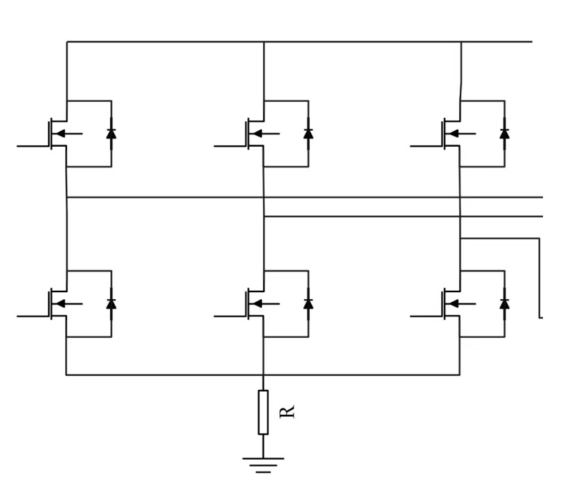
王工你好,我想给产品加一个过流检测的功能。
由于我检测电流只是为了监测产品是否过流而非构建电流环,
那么我用单电阻的方案是否可行,如图所示。
由于我了解到电机运行过程中流过该电阻的电流是不断变化的且有正负,
而且还有观测区和非观测区的概念。
那么请问我忽略这些概念,直接用多次测量求平均值的方式去检测过流是否可行?
截图202509120948442286.jpg

点评

用运放放大、滤波、送ADC检测即可。  详情 回复 发表于 2025-9-12 10:42
可行的,实际运行中电流从正负极看总为正值且有一定波动 直接滤波就可以了。  详情 回复 发表于 2025-9-12 10:41
回复

使用道具 举报 送花

  • 打卡等级:以坛为家II
  • 打卡总天数:591
  • 最近打卡:2025-10-15 09:49:21
已绑定手机
已实名认证

116

主题

2889

回帖

7364

积分

版主

积分
7364
发表于 2025-9-12 10:41:01 | 显示全部楼层
HUHU*** 发表于 2025-9-12 09:51
王工你好,我想给产品加一个过流检测的功能。
由于我检测电流只是为了监测产品是否过流而非构建电流环,
那 ...

可行的,实际运行中电流从正负极看总为正值且有一定波动
直接滤波就可以了。
回复

使用道具 举报 送花

  • 打卡等级:以坛为家I
  • 打卡总天数:200
  • 最近打卡:2025-10-15 13:18:53

77

主题

6775

回帖

1万

积分

超级版主

积分
14384
发表于 2025-9-12 10:42:06 | 显示全部楼层
HUHU*** 发表于 2025-9-12 09:51
王工你好,我想给产品加一个过流检测的功能。
由于我检测电流只是为了监测产品是否过流而非构建电流环,
那 ...

用运放放大、滤波、送ADC检测即可。
回复

使用道具 举报 送花

  • 打卡等级:以坛为家I
  • 打卡总天数:219
  • 最近打卡:2025-10-15 09:53:28

0

主题

31

回帖

576

积分

高级会员

积分
576
发表于 2025-9-12 11:59:45 | 显示全部楼层
王*** 发表于 2025-9-11 17:13
是的,这个时候可以尝试用手拧一下电机,看看能否切入闭环。(启动失败后会一直等待再次进入闭环)
如果 ...



CMP+和CMP-仔细检查与官方一致,分压电阻采用的20K+1.5K,工作电压24V,依然是开环启动电机转动正常,转速也起来了的,开环结束后就立即停止,附图是打印出的数据,用手转动电机会抖动以下,有点启动的感激,就是启动不了,需要怎么调整参数呢。
回复

使用道具 举报 送花

  • 打卡等级:以坛为家I
  • 打卡总天数:219
  • 最近打卡:2025-10-15 09:53:28

0

主题

31

回帖

576

积分

高级会员

积分
576
发表于 2025-9-12 11:59:47 | 显示全部楼层
王*** 发表于 2025-9-11 17:13
是的,这个时候可以尝试用手拧一下电机,看看能否切入闭环。(启动失败后会一直等待再次进入闭环)
如果 ...

截图202509121153527703.jpg

CMP+和CMP-仔细检查与官方一致,分压电阻采用的20K+1.5K,工作电压24V,依然是开环启动电机转动正常,转速也起来了的,开环结束后就立即停止,附图是打印出的数据,用手转动电机会抖动以下,有点启动的感激,就是启动不了,需要怎么调整参数呢。

点评

看起来应该是你的采样部分,采样电压太小了 我计算了一下,就算是满24v进来,到比较器上的只有1.67v,这似乎有点太小了 更何况刚启动的时候电压比较小。如果确定就是24v下使用,不用更高电压的情况下,建议将20k电阻  详情 回复 发表于 2025-9-12 16:16
回复

使用道具 举报 送花

  • 打卡等级:常住居民III
  • 打卡总天数:106
  • 最近打卡:2025-10-14 17:02:52

9

主题

141

回帖

515

积分

高级会员

积分
515
发表于 2025-9-12 15:07:47 | 显示全部楼层
请问我可以知道当前的电机转速吗?

点评

可以的,用phasetime的数据即可,单位是0.5us,使用60除以当前的换向时间,就是每分钟的转速的,这是如果是2对极及以上的,还需要除以对应电机的对极数 例如变量里的值为2000,那么换向时间就是1500us=1.5e-3秒,60  详情 回复 发表于 2025-9-12 16:07
回复

使用道具 举报 送花

您需要登录后才可以回帖 登录 | 立即注册

本版积分规则

QQ|手机版|深圳国芯人工智能有限公司 ( 粤ICP备2022108929号-2 )

GMT+8, 2025-10-16 03:30 , Processed in 0.128547 second(s), 108 queries .

Powered by Discuz! X3.5

© 2001-2025 Discuz! Team.

快速回复 返回顶部 返回列表