找回密码
 立即注册
楼主: clamb

8G1K08 PCA驱动电机占空比输出线性问题 | 明白了

[复制链接]
  • 打卡等级:偶尔看看I
  • 打卡总天数:11
  • 最近打卡:2026-02-06 08:42:05

3

主题

23

回帖

219

积分

中级会员

积分
219
发表于 2025-11-3 13:29:20 | 显示全部楼层
Debu*** 发表于 2025-11-3 12:41
低频小占空比噪音也大?

我按低频小占空比再试一下看是否有改善。
回复

使用道具 举报 送花

  • 打卡等级:以坛为家I
  • 打卡总天数:315
  • 最近打卡:2026-04-03 11:07:20

85

主题

7316

回帖

1万

积分

超级版主

积分
15739
发表于 2025-11-3 16:33:59 | 显示全部楼层
cla*** 发表于 2025-11-3 12:31
感谢梁工,确定是电机的差异了那我改用BUCK方案来驱动。

20多年前我做过方案,做自动风扇,由NTC测温,PWM控制一个BUCK电路给风扇供给可变直流电压来调速、散热,比如给大功率舞台功放做散热。
下面是两相十字线圈无刷散热风扇的典型电路之一,后来的产品是HALL传感器与两个驱动MOSFET都做在一起了,但其供电必须是直流电才能很好的工作。
截图202511031633496341.jpg

回复

使用道具 举报 送花

  • 打卡等级:偶尔看看I
  • 打卡总天数:11
  • 最近打卡:2026-02-06 08:42:05

3

主题

23

回帖

219

积分

中级会员

积分
219
发表于 2025-11-3 21:52:33 | 显示全部楼层
梁*** 发表于 2025-11-3 16:33
20多年前我做过方案,做自动风扇,由NTC测温,PWM控制一个BUCK电路给风扇供给可变直流电压来调速、散热, ...

    明白了,谢谢梁工!
    我又按楼上老师的建议把频率降低,使用Timer0溢出来降低PCA频率确实有效,同时我也试了系统/12分频(0.9KHz)也有变化,只是没得100HZ时占空比分布调节范围大。包括之前有刷电机我都用的系统频率分频输出的,也就说最低都是用的12分频,调试也增减过频率,只是没想到要调整这么低,请教下梁工为什么降低频率就有明显效果了呢?

点评

降低频率,则电路工作的时间变长,更稳定,因为霍尔从上电到进入工作要点时间。你可以用10~50Hz的频率试试。你可以选择定时器0的溢出做PCA时钟,可得到很慢的PWM。  详情 回复 发表于 2025-11-4 00:25
回复

使用道具 举报 送花

  • 打卡等级:以坛为家I
  • 打卡总天数:315
  • 最近打卡:2026-04-03 11:07:20

85

主题

7316

回帖

1万

积分

超级版主

积分
15739
发表于 2025-11-4 00:25:32 | 显示全部楼层
cla*** 发表于 2025-11-3 21:52
明白了,谢谢梁工!
    我又按楼上老师的建议把频率降低,使用Timer0溢出来降低PCA频率确实有效,同 ...

降低频率,则电路工作的时间变长,更稳定,因为霍尔从上电到进入工作要点时间。你可以用10~50Hz的频率试试。你可以选择定时器0的溢出做PCA时钟,可得到很慢的PWM。
回复

使用道具 举报 送花

  • 打卡等级:偶尔看看I
  • 打卡总天数:11
  • 最近打卡:2026-02-06 08:42:05

3

主题

23

回帖

219

积分

中级会员

积分
219
发表于 2025-11-4 08:35:06 | 显示全部楼层
梁*** 发表于 2025-11-4 00:25
降低频率,则电路工作的时间变长,更稳定,因为霍尔从上电到进入工作要点时间。你可以用10~50Hz的频率试 ...

      现在就是用的定时器0作为PCA时钟降了频是有效果的,把频率降低至10-50Hz我再试一下,感谢梁工及楼上各位老师们.....

点评

画个电路给您参考,您可以试试: [attachimg]119927[/attachimg]  详情 回复 发表于 2025-11-4 10:22
回复

使用道具 举报 送花

  • 打卡等级:以坛为家I
  • 打卡总天数:399
  • 最近打卡:2026-04-04 14:34:10
已绑定手机

2

主题

105

回帖

1570

积分

金牌会员

积分
1570
发表于 2025-11-4 09:13:07 | 显示全部楼层
学习了
回复

使用道具 举报 送花

  • 打卡等级:以坛为家I
  • 打卡总天数:315
  • 最近打卡:2026-04-03 11:07:20

85

主题

7316

回帖

1万

积分

超级版主

积分
15739
发表于 2025-11-4 10:22:54 | 显示全部楼层
cla*** 发表于 2025-11-4 08:35
现在就是用的定时器0作为PCA时钟降了频是有效果的,把频率降低至10-50Hz我再试一下,感谢梁工及楼 ...

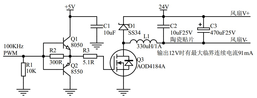
画个电路给您参考,您可以试试,就是在您的输出电路加上L1、C2、C3,PWM频率使用100KHz。

截图202511041022498818.jpg

回复

使用道具 举报 送花

  • 打卡等级:偶尔看看I
  • 打卡总天数:11
  • 最近打卡:2026-02-06 08:42:05

3

主题

23

回帖

219

积分

中级会员

积分
219
发表于 2025-11-4 12:26:37 | 显示全部楼层
梁*** 发表于 2025-11-4 10:22
画个电路给您参考,您可以试试,就是在您的输出电路加上L1、C2、C3,PWM频率使用100KHz。

收到,太感谢了..
回复

使用道具 举报 送花

您需要登录后才可以回帖 登录 | 立即注册

本版积分规则

QQ|手机版|深圳国芯人工智能有限公司 ( 粤ICP备2022108929号-2 )

GMT+8, 2026-4-4 17:44 , Processed in 0.135682 second(s), 87 queries .

Powered by Discuz! X3.5

© 2001-2026 Discuz! Team.

快速回复 返回顶部 返回列表