找回密码
 立即注册
查看: 78|回复: 5

用Ai8H2K12U做的USB转双串口板,通讯有问题

[复制链接]
  • 打卡等级:偶尔看看I
  • 打卡总天数:18
  • 最近打卡:2026-03-12 15:05:21
已绑定手机

14

主题

32

回帖

190

积分

注册会员

积分
190
发表于 2026-3-11 18:13:00 | 显示全部楼层 |阅读模式
用串口助手,没有接任何485设备,随便发送个数字,都返回0。这是什么问题?
截图202603111808463218.jpg
截图202603111812497936.jpg
截图202603111819135355.jpg
回复

使用道具 举报 送花

  • 打卡等级:以坛为家III
  • 打卡总天数:755
  • 最近打卡:2026-04-02 00:00:13
已绑定手机

19

主题

3352

回帖

6975

积分

论坛元老

积分
6975
发表于 2026-3-11 19:51:01 | 显示全部楼层
波特率或者通信问题吧
回复

使用道具 举报 送花

  • 打卡等级:偶尔看看I
  • 打卡总天数:18
  • 最近打卡:2026-03-12 15:05:21
已绑定手机

14

主题

32

回帖

190

积分

注册会员

积分
190
发表于 2026-3-11 20:14:06 | 显示全部楼层
so*** 发表于 2026-3-11 19:51
波特率或者通信问题吧

485口没有接任何设备,不应该有返回值呀
回复

使用道具 举报 送花

  • 打卡等级:以坛为家I
  • 打卡总天数:368
  • 最近打卡:2026-04-02 08:50:05

844

主题

1万

回帖

2万

积分

管理员

积分
22799
发表于 2026-3-12 11:10:42 | 显示全部楼层
截图202603121110277930.jpg
回复

使用道具 举报 送花

  • 打卡等级:偶尔看看I
  • 打卡总天数:18
  • 最近打卡:2026-03-12 15:05:21
已绑定手机

14

主题

32

回帖

190

积分

注册会员

积分
190
发表于 2026-3-12 15:05:21 | 显示全部楼层

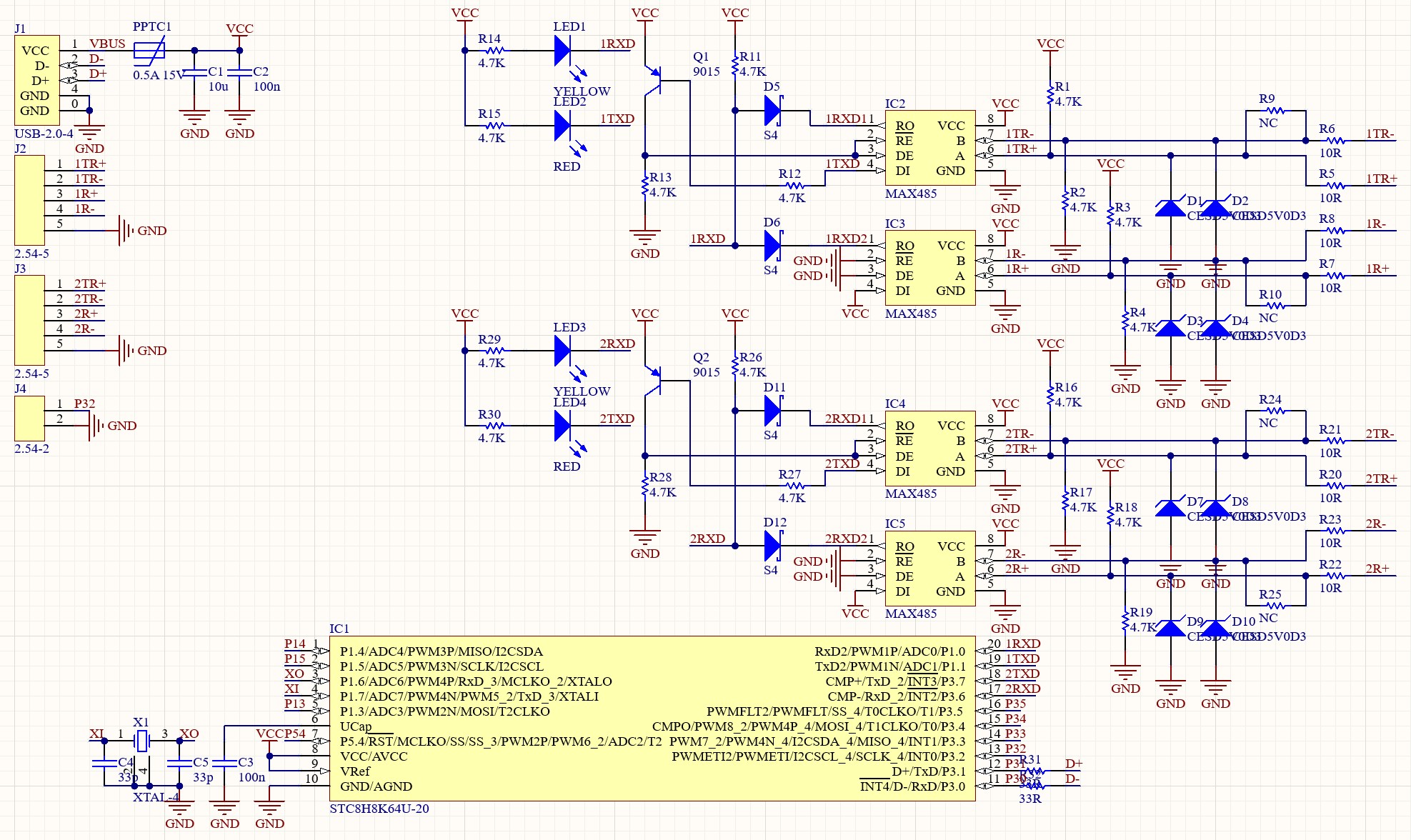
请帮我看看上面1楼的原理图到底有没有问题?
回复

使用道具 举报 送花

  • 打卡等级:常住居民III
  • 打卡总天数:184
  • 最近打卡:2026-03-17 13:46:23

24

主题

244

回帖

1453

积分

金牌会员

积分
1453
发表于 2026-3-17 13:46:23 | 显示全部楼层

USB转双485/422原理图供参考
截图202603171345583811.jpg
回复

使用道具 举报 送花

您需要登录后才可以回帖 登录 | 立即注册

本版积分规则

QQ|手机版|深圳国芯人工智能有限公司 ( 粤ICP备2022108929号-2 )

GMT+8, 2026-4-2 21:06 , Processed in 0.111672 second(s), 71 queries .

Powered by Discuz! X3.5

© 2001-2026 Discuz! Team.

快速回复 返回顶部 返回列表