找回密码
 立即注册
查看: 116|回复: 9

关于ai8051u电调的问题

[复制链接]
  • 打卡等级:初来乍到
  • 打卡总天数:3
  • 最近打卡:2026-03-05 12:12:16

2

主题

5

回帖

60

积分

注册会员

积分
60
发表于 2026-3-3 17:17:07 | 显示全部楼层 |阅读模式
我在设计电调的时候遇到了一个问题,我使用ai8051u设计了一个电调,由于功率不大且体积要求小,我结合了stc8h1k小电调的设计做了这个电调(原理图如下)

截图202603031715211988.jpg
但是设计打板之后遇到了问题:最开始第一版焊接完成之后很正常,但是很快就无法驱动了,后续焊接出来烧录代码之后也有频繁短路烧板或者根本无法驱动的问题,是8051u相比于8h1k驱动能力太弱了还是电路设计有问题,求解
回复

使用道具 举报 送花

  • 打卡等级:常住居民II
  • 打卡总天数:91
  • 最近打卡:2026-04-03 11:21:44
已绑定手机

4

主题

246

回帖

889

积分

高级会员

积分
889
发表于 2026-3-3 18:57:22 | 显示全部楼层
图看不清,建议在EDA里导出图片或PDF
回复

使用道具 举报 送花

  • 打卡等级:以坛为家I
  • 打卡总天数:315
  • 最近打卡:2026-04-03 11:07:20

85

主题

7315

回帖

1万

积分

超级版主

积分
15737
发表于 2026-3-3 19:10:20 | 显示全部楼层
图看不清,请转成PDF或发高解析度的PNG。
8051的IO驱动能力没有任何问题的。
回复

使用道具 举报 送花

  • 打卡等级:初来乍到
  • 打卡总天数:3
  • 最近打卡:2026-03-05 12:12:16

2

主题

5

回帖

60

积分

注册会员

积分
60
发表于 2026-3-3 19:32:32 | 显示全部楼层
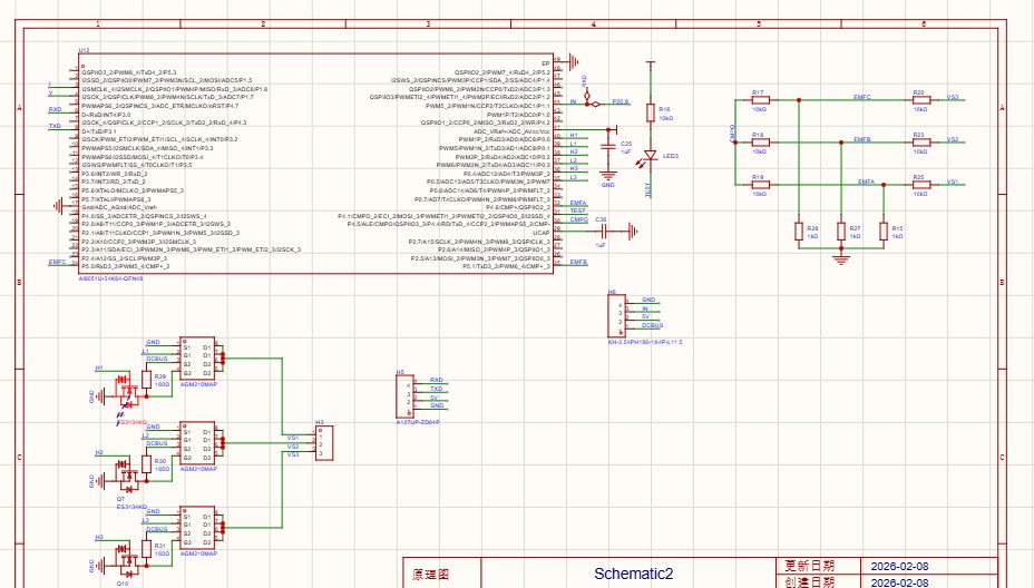
清晰截图
截图202603031932201027.jpg
回复

使用道具 举报 送花

  • 打卡等级:初来乍到
  • 打卡总天数:3
  • 最近打卡:2026-03-05 12:12:16

2

主题

5

回帖

60

积分

注册会员

积分
60
发表于 2026-3-3 19:33:06 | 显示全部楼层
梁*** 发表于 2026-3-3 19:10
图看不清,请转成PDF或发高解析度的PNG。
8051的IO驱动能力没有任何问题的。 ...

发在下面了,麻烦梁工看看

点评

PWM输出至少要在低驱动端接地一个电阻,以避免上电时IO都是高阻、电平不确定有可能导致上下管同时导通。看我的电路: [attachimg]132973[/attachimg]  详情 回复 发表于 2026-3-4 09:50
回复

使用道具 举报 送花

  • 打卡等级:常住居民II
  • 打卡总天数:91
  • 最近打卡:2026-04-03 11:21:44
已绑定手机

4

主题

246

回帖

889

积分

高级会员

积分
889
发表于 2026-3-3 19:41:33 | 显示全部楼层
建议H1、L1等门极控制脚对地加电阻,以免上电瞬间共态导通。
另外就是用示波器看一下,死区是否足够,是否有共态导通。
DCBUS串个电阻,用于监测电流,测一下各种情况下的电流:上电、下电、启动、停止等。
回复

使用道具 举报 送花

  • 打卡等级:初来乍到
  • 打卡总天数:3
  • 最近打卡:2026-03-05 12:12:16

2

主题

5

回帖

60

积分

注册会员

积分
60
发表于 2026-3-3 19:44:50 | 显示全部楼层
lcws*** 发表于 2026-3-3 19:41
建议H1、L1等门极控制脚对地加电阻,以免上电瞬间共态导通。
另外就是用示波器看一下,死区是否足够,是否 ...

好的,感谢
回复

使用道具 举报 送花

  • 打卡等级:以坛为家I
  • 打卡总天数:315
  • 最近打卡:2026-04-03 11:07:20

85

主题

7315

回帖

1万

积分

超级版主

积分
15737
发表于 2026-3-4 09:50:30 | 显示全部楼层
路过的*** 发表于 2026-3-3 19:33
发在下面了,麻烦梁工看看

PWM输出至少要在低驱动端接地一个电阻,以避免上电时IO都是高阻、电平不确定有可能导致上下管同时导通。看我的电路:

截图202603040950229485.jpg

回复

使用道具 举报 送花

  • 打卡等级:以坛为家I
  • 打卡总天数:208
  • 最近打卡:2026-04-03 00:02:01
已绑定手机

15

主题

286

回帖

1494

积分

金牌会员

DIY玩家

积分
1494
发表于 2026-3-4 11:48:08 | 显示全部楼层
梁*** 发表于 2026-3-4 09:50
PWM输出至少要在低驱动端接地一个电阻,以避免上电时IO都是高阻、电平不确定有可能导致上下管同时导通。 ...

可加散热孔
优化散热效果
真正的学徒往往怀着大师的心
回复

使用道具 举报 送花

  • 打卡等级:初来乍到
  • 打卡总天数:3
  • 最近打卡:2026-03-05 12:12:16

2

主题

5

回帖

60

积分

注册会员

积分
60
发表于 2026-3-5 12:12:16 | 显示全部楼层
梁*** 发表于 2026-3-4 09:50
PWM输出至少要在低驱动端接地一个电阻,以避免上电时IO都是高阻、电平不确定有可能导致上下管同时导通。 ...

好,感谢
回复

使用道具 举报 送花

您需要登录后才可以回帖 登录 | 立即注册

本版积分规则

QQ|手机版|深圳国芯人工智能有限公司 ( 粤ICP备2022108929号-2 )

GMT+8, 2026-4-3 19:07 , Processed in 0.119997 second(s), 96 queries .

Powered by Discuz! X3.5

© 2001-2026 Discuz! Team.

快速回复 返回顶部 返回列表