找回密码
 立即注册
楼主: wuzhengmin

学习休眠唤醒遇到的问题:1无法开启休眠 2舍弃一下功能后能进入休眠但无法唤醒

[复制链接]
  • 打卡等级:常住居民III
  • 打卡总天数:158
  • 最近打卡:2026-04-08 10:46:34
已绑定手机

22

主题

2458

回帖

3488

积分

论坛元老

积分
3488
发表于 2026-2-26 21:46:41 | 显示全部楼层
提醒目录名称不能有特殊符号和中文:


不要嫌弃啰嗦,很多问题都是这些细节造成的.............
截图202602262146099173.jpg
回复

使用道具 举报 送花

  • 打卡等级:常住居民III
  • 打卡总天数:158
  • 最近打卡:2026-04-08 10:46:34
已绑定手机

22

主题

2458

回帖

3488

积分

论坛元老

积分
3488
发表于 2026-2-26 21:49:53 | 显示全部楼层
到此打开一个项目文件,不报错就证明我们装好了

好了,今天我们就学到这里

下次从4.1-AiCube工具介绍开始学习!
截图202602262149517797.jpg
回复

使用道具 举报 送花

  • 打卡等级:常住居民III
  • 打卡总天数:158
  • 最近打卡:2026-04-08 10:46:34
已绑定手机

22

主题

2458

回帖

3488

积分

论坛元老

积分
3488
发表于 2026-2-27 08:28:42 | 显示全部楼层
早晨好!今天我们继续学习4.1-AiCube工具介绍

先介绍了STC51单片机开发的阶段:

1 寄存器

2 库函数

3 MDK+*next图形化工具


而STM32是开发了IDE图形化工具

我们看看AICube ,太多寄存器,我们要用AICube ,自动生成框架代码






截图202602270828403189.jpg
截图202602270853483556.jpg
回复

使用道具 举报 送花

  • 打卡等级:常住居民III
  • 打卡总天数:158
  • 最近打卡:2026-04-08 10:46:34
已绑定手机

22

主题

2458

回帖

3488

积分

论坛元老

积分
3488
发表于 2026-2-27 08:56:12 | 显示全部楼层
1.AiCube工具介绍
截图202602270855368054.jpg
回复

使用道具 举报 送花

  • 打卡等级:常住居民III
  • 打卡总天数:158
  • 最近打卡:2026-04-08 10:46:34
已绑定手机

22

主题

2458

回帖

3488

积分

论坛元老

积分
3488
发表于 2026-2-27 08:59:02 | 显示全部楼层
开始的步骤是很简单的:

截图202602270858586501.jpg
回复

使用道具 举报 送花

  • 打卡等级:常住居民III
  • 打卡总天数:158
  • 最近打卡:2026-04-08 10:46:34
已绑定手机

22

主题

2458

回帖

3488

积分

论坛元老

积分
3488
发表于 2026-2-27 09:00:56 | 显示全部楼层
配置界面很清晰:

截图202602270900539876.jpg
回复

使用道具 举报 送花

  • 打卡等级:常住居民III
  • 打卡总天数:158
  • 最近打卡:2026-04-08 10:46:34
已绑定手机

22

主题

2458

回帖

3488

积分

论坛元老

积分
3488
发表于 2026-2-27 09:03:33 | 显示全部楼层
设置时可以按住shift键,鼠标下拉,连续设置性质:

这实际是批量设置


截图202602270903314849.jpg
回复

使用道具 举报 送花

  • 打卡等级:常住居民III
  • 打卡总天数:158
  • 最近打卡:2026-04-08 10:46:34
已绑定手机

22

主题

2458

回帖

3488

积分

论坛元老

积分
3488
发表于 2026-2-27 09:06:06 | 显示全部楼层
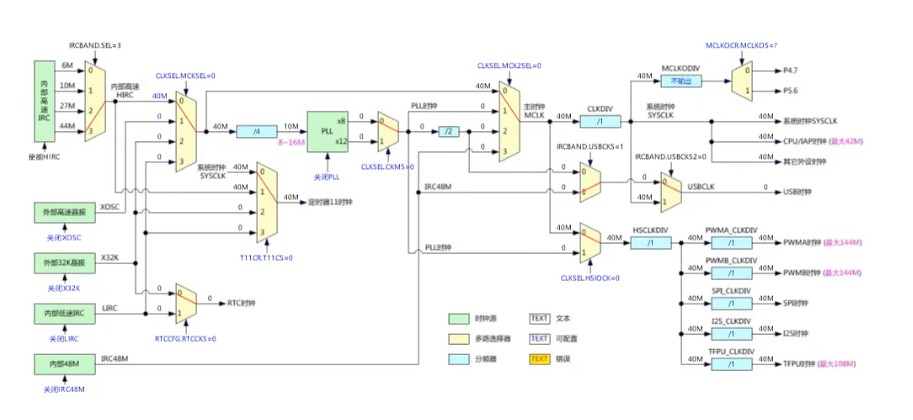
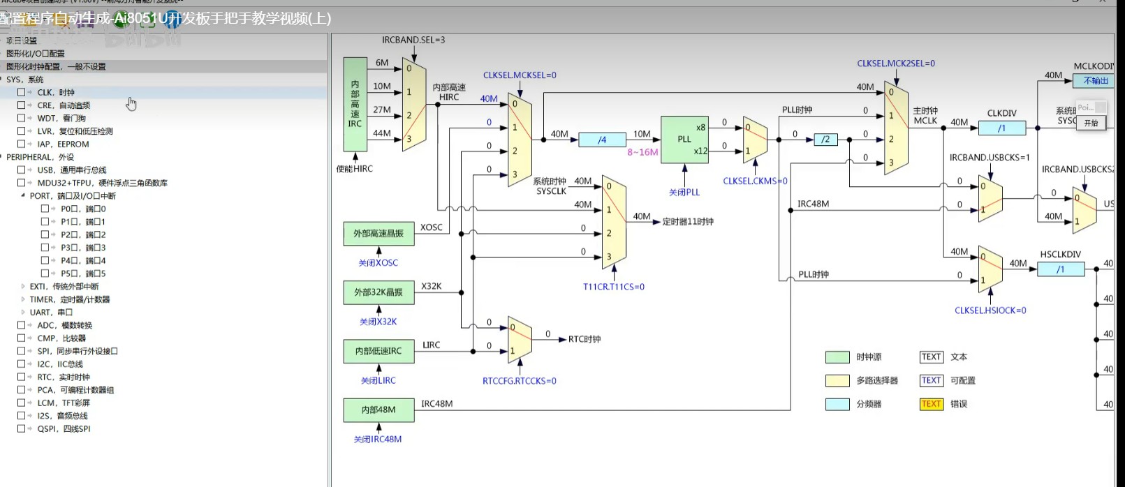
时钟设置就有点复杂:

直接用默认就挺好的
截图202602270905234910.jpg
截图202602270906034953.jpg
回复

使用道具 举报 送花

  • 打卡等级:常住居民III
  • 打卡总天数:158
  • 最近打卡:2026-04-08 10:46:34
已绑定手机

22

主题

2458

回帖

3488

积分

论坛元老

积分
3488
发表于 2026-2-27 09:10:06 | 显示全部楼层
串口1针脚的选择:
截图202602270910049320.jpg
回复

使用道具 举报 送花

  • 打卡等级:常住居民III
  • 打卡总天数:158
  • 最近打卡:2026-04-08 10:46:34
已绑定手机

22

主题

2458

回帖

3488

积分

论坛元老

积分
3488
发表于 2026-2-27 09:13:43 | 显示全部楼层
波特率,使能串口接受,使能中断.........

截图202602270913418373.jpg
回复

使用道具 举报 送花

您需要登录后才可以回帖 登录 | 立即注册

本版积分规则

QQ|手机版|深圳国芯人工智能有限公司 ( 粤ICP备2022108929号-2 )

GMT+8, 2026-4-9 18:07 , Processed in 0.134050 second(s), 80 queries .

Powered by Discuz! X3.5

© 2001-2026 Discuz! Team.

快速回复 返回顶部 返回列表