找回密码
 立即注册
查看: 243|回复: 5

STC32G144K246芯片用SPI2驱动TF卡

[复制链接]
  • 打卡等级:初来乍到
  • 打卡总天数:2
  • 最近打卡:2026-01-04 08:39:42
已绑定手机

1

主题

3

回帖

13

积分

新手上路

积分
13
发表于 2026-1-3 20:25:06 来自手机 | 显示全部楼层 |阅读模式
用这个芯片的P6口SPI2,驱动TF卡的时候,给TF卡写一个字节或者读一个字节不成功一直在那里等待读写完成,用的是AICUBE生成的程序,是为啥呢
回复

使用道具 举报 送花

  • 打卡等级:以坛为家II
  • 打卡总天数:493
  • 最近打卡:2026-04-02 08:56:15
已绑定手机

104

主题

4229

回帖

9395

积分

荣誉版主

无情的代码机器

积分
9395
发表于 2026-1-3 22:52:29 | 显示全部楼层
上传完整工程?

初始化时钟pll没?这个型号使用spi前需要使能pll.
三天不学习,赶不上刘少奇~
回复

使用道具 举报 送花

  • 打卡等级:初来乍到
  • 打卡总天数:2
  • 最近打卡:2026-01-04 08:39:42
已绑定手机

1

主题

3

回帖

13

积分

新手上路

积分
13
发表于 2026-1-4 08:39:42 | 显示全部楼层
这个我要看看,谢谢,如果不行,我再上传代码
回复

使用道具 举报 送花

  • 打卡等级:初来乍到
  • 打卡总天数:2
  • 最近打卡:2026-01-04 08:39:42
已绑定手机

1

主题

3

回帖

13

积分

新手上路

积分
13
发表于 2026-1-4 08:56:15 | 显示全部楼层
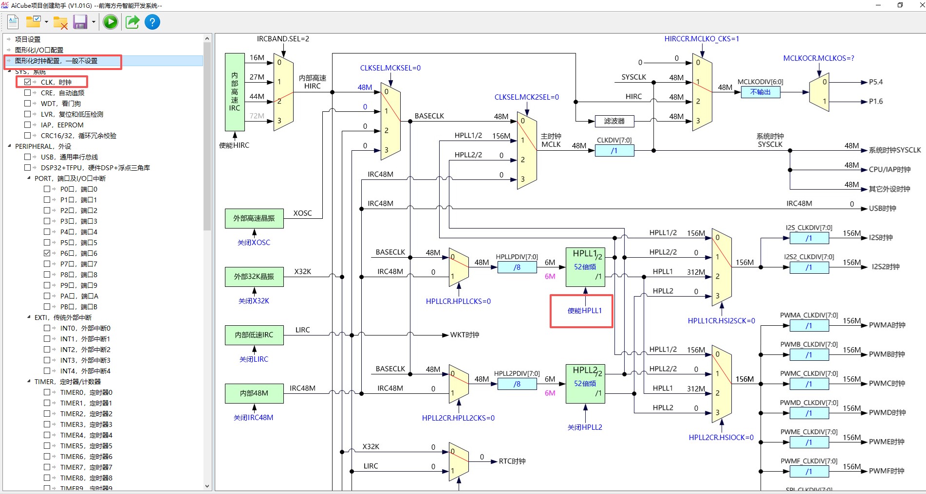
SPI2 初始化如上,没有找到PLL的寄存器,帮忙看看,谢谢
Snipaste_2026-01-04_08-54-43.png

点评

[attachimg]127528[/attachimg]  详情 回复 发表于 2026-1-4 09:13
回复

使用道具 举报 送花

  • 打卡等级:以坛为家II
  • 打卡总天数:493
  • 最近打卡:2026-04-02 08:56:15
已绑定手机

104

主题

4229

回帖

9395

积分

荣誉版主

无情的代码机器

积分
9395
发表于 2026-1-4 09:13:57 | 显示全部楼层
Alan*** 发表于 2026-1-4 08:56
SPI2 初始化如上,没有找到PLL的寄存器,帮忙看看,谢谢

截图202601040913534463.jpg
三天不学习,赶不上刘少奇~
回复

使用道具 举报 送花

  • 打卡等级:初来乍到
  • 打卡总天数:2
  • 最近打卡:2026-01-04 08:39:42
已绑定手机

1

主题

3

回帖

13

积分

新手上路

积分
13
发表于 2026-1-4 12:34:28 | 显示全部楼层

谢谢,解决掉了
回复

使用道具 举报 送花

您需要登录后才可以回帖 登录 | 立即注册

本版积分规则

QQ|手机版|深圳国芯人工智能有限公司 ( 粤ICP备2022108929号-2 )

GMT+8, 2026-4-2 21:14 , Processed in 0.110440 second(s), 74 queries .

Powered by Discuz! X3.5

© 2001-2026 Discuz! Team.

快速回复 返回顶部 返回列表