找回密码
 立即注册
查看: 495|回复: 7

购买了4个开发板但是不知道对应的电机在哪里购买

[复制链接]
  • 打卡等级:初来乍到
  • 打卡总天数:4
  • 最近打卡:2025-12-26 11:12:13
已绑定手机

2

主题

3

回帖

22

积分

新手上路

积分
22
发表于 2025-11-19 16:12:17 | 显示全部楼层 |阅读模式
您好:

微信图片_20251119160855.png



我购买了上面四种开发板,可是不知道对应的电机在哪里能买的到?
回复

使用道具 举报 送花

  • 打卡等级:以坛为家III
  • 打卡总天数:697
  • 最近打卡:2026-04-04 17:11:47
已绑定手机
已实名认证

130

主题

3388

回帖

8833

积分

版主

积分
8833
发表于 2025-11-20 10:32:33 | 显示全部楼层
市面上常见的电机均可驱动
较大功率的驱动板也可以驱动较小功率的电机
目前大功率的驱动板,默认配置的电机是大疆拆机电机2312A
回复

使用道具 举报 送花

  • 打卡等级:以坛为家II
  • 打卡总天数:429
  • 最近打卡:2026-04-04 16:29:58

3

主题

30

回帖

617

积分

高级会员

积分
617
发表于 2025-11-20 11:12:11 | 显示全部楼层
佬到处随便弄点二手无刷就可以测试了
回复

使用道具 举报 送花

  • 打卡等级:偶尔看看II
  • 打卡总天数:27
  • 最近打卡:2026-04-04 09:47:52
已绑定手机

2

主题

24

回帖

108

积分

注册会员

积分
108
发表于 2026-3-8 14:42:31 | 显示全部楼层
FOC(Field Oriented Control),又称矢量控制,是一种用于交流电机(如永磁同步电机、感应电机)的高性能控制技术。是控制交流电机吗?是相当于diy做了变频器吗?

点评

FOC驱动跟变频器驱动有很大的不同,FOC是驱动三相无刷同步电机,变频器是改变频率和电压幅度驱动普通的三相鼠笼式交流异步电机。  详情 回复 发表于 2026-3-8 16:06
回复

使用道具 举报 送花

  • 打卡等级:以坛为家I
  • 打卡总天数:315
  • 最近打卡:2026-04-03 11:07:20

85

主题

7316

回帖

1万

积分

超级版主

积分
15739
发表于 2026-3-8 16:06:39 | 显示全部楼层
guoju*** 发表于 2026-3-8 14:42
FOC(Field Oriented Control),又称矢量控制,是一种用于交流电机(如永磁同步电机、感应电机)的高性能 ...

FOC驱动跟变频器驱动有很大的不同,FOC是驱动三相无刷同步电机,变频器是改变频率和电压幅度驱动普通的三相鼠笼式交流异步电机。
回复

使用道具 举报 送花

  • 打卡等级:偶尔看看II
  • 打卡总天数:27
  • 最近打卡:2026-04-04 09:47:52
已绑定手机

2

主题

24

回帖

108

积分

注册会员

积分
108
发表于 2026-3-8 20:06:34 | 显示全部楼层
梁*** 发表于 2026-3-8 16:06
FOC驱动跟变频器驱动有很大的不同,FOC是驱动三相无刷同步电机,变频器是改变频率和电压幅度驱动普通的三 ...

收到谢谢🙏,stc有用于变频器的案例吗?

点评

我以前验证过。 简单的、小功率的(10KW以内)三相变频器相对无刷电机驱动在程序上要简单,驱动电路原理一样,但有专门的3相驱动IGBT模块,比如SD20A60FA,下面贴出手册,您可以看看。 一直想打板测试三相变频器、直  详情 回复 发表于 2026-3-9 10:56
回复

使用道具 举报 送花

  • 打卡等级:以坛为家I
  • 打卡总天数:315
  • 最近打卡:2026-04-03 11:07:20

85

主题

7316

回帖

1万

积分

超级版主

积分
15739
发表于 2026-3-9 10:56:17 | 显示全部楼层
guoju*** 发表于 2026-3-8 20:06
收到谢谢🙏,stc有用于变频器的案例吗?

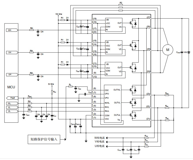
我以前验证过。
简单的、小功率的(10KW以内)三相变频器相对无刷电机驱动在程序上要简单,驱动电路原理一样,但有专门的3相驱动IGBT模块,比如SD20A60FA,下面贴出手册,您可以看看。
一直想打板测试三相变频器、直流转交流正弦波逆变器,但一直没空,这个比较耗时间。
截图202603091055333176.jpg

SD20A60FA-电机驱动-变频驱动模块-士兰微电子.pdf (801.03 KB, 下载次数: 6)

回复

使用道具 举报 送花

  • 打卡等级:偶尔看看II
  • 打卡总天数:27
  • 最近打卡:2026-04-04 09:47:52
已绑定手机

2

主题

24

回帖

108

积分

注册会员

积分
108
发表于 2026-3-9 16:15:35 | 显示全部楼层
梁*** 发表于 2026-3-9 10:56
我以前验证过。
简单的、小功率的(10KW以内)三相变频器相对无刷电机驱动在程序上要简单,驱动电路原理 ...

学习了。
回复

使用道具 举报 送花

您需要登录后才可以回帖 登录 | 立即注册

本版积分规则

QQ|手机版|深圳国芯人工智能有限公司 ( 粤ICP备2022108929号-2 )

GMT+8, 2026-4-4 17:46 , Processed in 0.123833 second(s), 84 queries .

Powered by Discuz! X3.5

© 2001-2026 Discuz! Team.

快速回复 返回顶部 返回列表