找回密码
 立即注册
查看: 863|回复: 11

触摸按键

[复制链接]
  • 打卡等级:常住居民III
  • 打卡总天数:153
  • 最近打卡:2026-04-02 08:01:39
已绑定手机

11

主题

49

回帖

496

积分

中级会员

积分
496
发表于 2025-10-13 19:11:40 | 显示全部楼层 |阅读模式
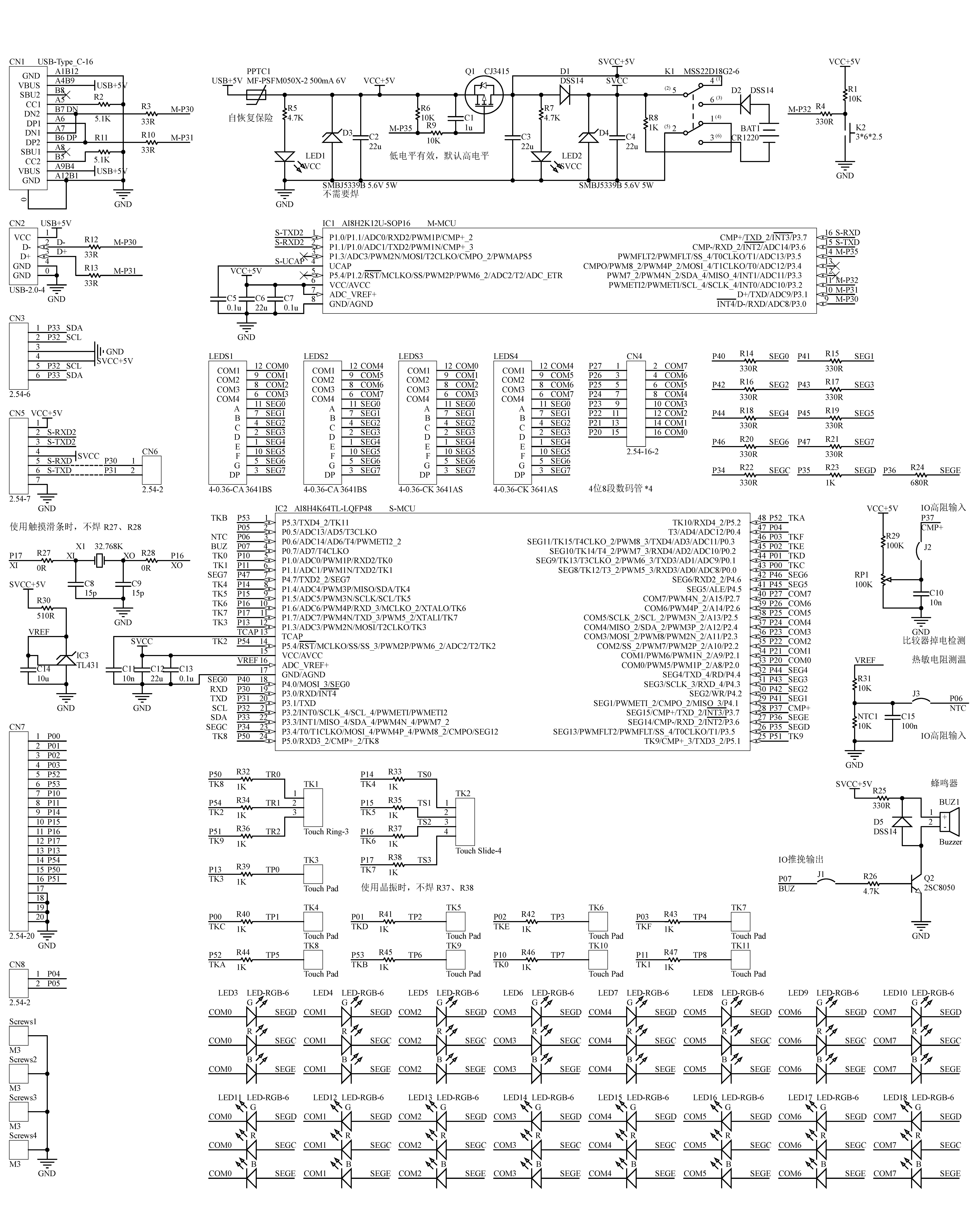
触摸按键没有反应如何进行调试
回复

使用道具 举报 送花

  • 打卡等级:常住居民III
  • 打卡总天数:153
  • 最近打卡:2026-04-02 08:01:39
已绑定手机

11

主题

49

回帖

496

积分

中级会员

积分
496
发表于 2025-10-13 19:12:22 | 显示全部楼层
主控芯片是stc8h4k 触摸按键没有反应
回复

使用道具 举报 送花

3

主题

2857

回帖

1461

积分

等待验证会员

积分
1461
发表于 2025-10-13 19:12:00 | 显示全部楼层
触摸按键无反应的调试方法

触摸按键因其美观、耐用和防水性能,广泛应用于现代电子产品中。然而,当触摸按键无反应时,可能会对设备的使用造成严重影响。本文将从硬件、软件、环境干扰和设计优化四个方面,系统介绍如何对触摸按键进行调试。

一、初步检查与基本判断

在进行深入调试之前,首先应进行基本检查,以排除最简单的故障原因:

1. 电源检查  
   确保系统供电正常,电压在触摸IC或MCU的工作范围内。低电压可能导致触摸检测灵敏度下降甚至失效。

2. 复位电路检查  
   检查复位电路是否正常工作,避免因复位异常导致触摸模块未初始化。

3. 硬件连接检查  
   检查触摸按键与主控之间的连接是否良好,包括PCB走线、焊点、FPC排线等是否存在虚焊、断路或短路。

4. 按键表面检查  
   检查触摸区域是否有油污、水渍、异物覆盖,这些都可能影响电容式触摸的检测效果。

二、硬件调试方法

1. 测量电容值  
   对于电容式触摸按键,使用LCR表测量按键的对地电容值。正常值通常在几十pF到几百pF之间,具体取决于设计。若电容值异常(如过大或过小),可能是走线过长、屏蔽不良或元件损坏。

2. 检查寄生电容  
   寄生电容可能影响触摸灵敏度。可通过调整走线长度、加宽地平面、减少干扰源等方式降低寄生电容。

3. 确认触摸IC供电与参考电压  
   检查触摸IC的供电电压是否稳定,参考电压是否符合规格书要求。不稳定电压会导致检测误差。

4. 更换IC或MCU测试  
   若怀疑是芯片问题,可尝试更换同型号IC或MCU进行测试,以确认是否为硬件损坏。

三、软件与固件调试方法

1. 查看初始化配置  
   检查触摸模块的初始化代码是否正确,如寄存器配置、采样频率、滤波参数等是否设置合理。

2. 读取原始数据(Raw Data)  
   多数触摸IC支持读取原始数据,通过串口或调试工具获取按键未触发与触发时的电容值变化。若变化量过小,说明灵敏度设置不足或存在干扰。

3. 调整灵敏度参数  
   在软件中调整灵敏度阈值(Threshold),适当提高检测灵敏度。但需注意避免误触发。

4. 启用自校准功能  
   大多数触摸控制器具有自校准功能,可在启动时自动调整基线值。若关闭此功能,可能导致环境变化后无法正确识别触摸。

5. 检查中断与响应逻辑  
   确认中断引脚是否被正确配置,中断服务程序是否执行正常。若中断未被响应,可能导致按键无反应。

6. 更新固件或驱动  
   查阅厂商提供的最新固件或驱动版本,是否存在已知Bug或改进项。升级后可排除已知问题。

四、环境干扰排查

1. 电磁干扰(EMI)  
   电容式触摸对电磁干扰较为敏感。检查附近是否有大功率电机、LED背光、开关电源等干扰源。可通过增加屏蔽层、调整布局、使用差分信号等方式降低干扰。

2. 人体静电(ESD)  
   ESD可能导致触摸模块瞬间失效或误动作。检查系统是否具备足够的ESD防护,如加装TVS管、使用屏蔽外壳等。

3. 温度与湿度影响  
   极端温湿度可能影响电容值变化。若设备在特殊环境下使用,应选用具有宽温范围和湿度补偿功能的触摸方案。

4. 接地不良  
   良好的接地是减少干扰的关键。检查设备是否有效接地,特别是金属外壳与PCB地之间的连接。

五、设计优化建议

1. PCB布局优化  
触摸按键应远离高速信号线、电源线等干扰源。
按键下方应铺设完整地平面,增强屏蔽效果。
按键走线应尽量短且直,避免平行走线。

2. 材料选择  
表面覆盖材料应选择合适厚度的非导电材料(如玻璃、塑料、PC等)。
材料厚度影响电容变化,需与触摸IC的检测能力匹配。

3. 按键形状与间距设计  
按键形状应规则,避免尖角,以减少电场集中。
相邻按键之间应保持足够间距,防止“鬼触”或误触发。

4. 多层结构设计  
可采用感应层与驱动层分离的结构(如自电容与互电容结构),提高检测精度。
增加屏蔽层以减少外部干扰。

六、调试工具推荐
示波器:用于观察信号波形,检测是否存在噪声或异常。
LCR表:用于测量电容值,评估按键电容状态。
逻辑分析仪:用于分析I2C、SPI等通信总线是否正常。
串口调试工具:用于读取触摸IC的寄存器值、原始数据、错误代码等。
EMI测试仪:用于检测电磁干扰强度,辅助优化屏蔽设计。

七、常见问题与解决方案汇总

| 问题现象 | 可能原因 | 解决方案 |
|----------|----------|-----------|
| 所有按键无反应 | 电源异常、复位失败、IC损坏 | 检查供电、复位电路,更换IC |
| 单个按键无反应 | 走线断开、电容异常、软件屏蔽 | 检查PCB连接,测量电容,检查配置 |
| 按键误触发频繁 | 灵敏度过高、存在干扰 | 降低灵敏度,优化布局,增加屏蔽 |
| 按键反应迟钝 | 采样率低、滤波过强、环境变化 | 提高采样率,调整滤波参数,启用自校准 |
| 按键在潮湿环境下失效 | 材料吸湿、电容漂移 | 使用防水材料,启用湿度补偿算法 |

结语

触摸按键无反应的调试是一个系统性工程,需从硬件、软件、环境等多个维度进行排查。建议采用“由简到繁”的排查思路,先排除供电、连接等基础问题,再深入分析电容变化、干扰源、软件配置等复杂因素。对于复杂问题,建议借助专业调试工具进行辅助分析。通过科学的调试流程和合理的优化设计,可有效提升触摸按键的稳定性与可靠性。

[本文内容由国芯人工智能辅助生成,仅供参考]

点评

好的  发表于 2025-10-13 19:16
回复

使用道具 举报 送花

  • 打卡等级:常住居民III
  • 打卡总天数:153
  • 最近打卡:2026-04-02 08:01:39
已绑定手机

11

主题

49

回帖

496

积分

中级会员

积分
496
发表于 2025-10-13 19:13:30 | 显示全部楼层
如何复用烧录口的 p30 和 p31 进行串口打印
回复

使用道具 举报 送花

  • 打卡等级:常住居民III
  • 打卡总天数:153
  • 最近打卡:2026-04-02 08:01:39
已绑定手机

11

主题

49

回帖

496

积分

中级会员

积分
496
发表于 2025-10-13 19:15:07 | 显示全部楼层
电压正常 数码管可以正常显示
回复

使用道具 举报 送花

  • 打卡等级:常住居民III
  • 打卡总天数:153
  • 最近打卡:2026-04-02 08:01:39
已绑定手机

11

主题

49

回帖

496

积分

中级会员

积分
496
发表于 2025-10-13 19:15:54 | 显示全部楼层
国芯人*** 发表于 2025-10-13 19:12
触摸按键无反应的调试方法

触摸按键因其美观、耐用和防水性能,广泛应用于现代电子产品中。然而,当触摸按 ...

电压正常 能否使用烧录口p30 p31 复用串口进行调试 如何设置
回复

使用道具 举报 送花

  • 打卡等级:以坛为家I
  • 打卡总天数:368
  • 最近打卡:2026-04-02 08:50:05

844

主题

1万

回帖

2万

积分

管理员

积分
22799
发表于 2025-10-14 09:40:33 | 显示全部楼层
回复

使用道具 举报 送花

  • 打卡等级:以坛为家I
  • 打卡总天数:368
  • 最近打卡:2026-04-02 08:50:05

844

主题

1万

回帖

2万

积分

管理员

积分
22799
发表于 2025-10-14 09:43:43 | 显示全部楼层
回复

使用道具 举报 送花

  • 打卡等级:以坛为家I
  • 打卡总天数:368
  • 最近打卡:2026-04-02 08:50:05

844

主题

1万

回帖

2万

积分

管理员

积分
22799
发表于 2025-10-14 09:47:47 | 显示全部楼层
下载完程序后,跑用户程序,P3.0/P3.1是用户程序控制,可直接当串口使用


截图202510140945369900.jpg

截图202510140946131432.jpg

截图202510140946538726.jpg

截图202510140947433647.jpg


回复

使用道具 举报 送花

  • 打卡等级:偶尔看看I
  • 打卡总天数:15
  • 最近打卡:2025-11-12 11:35:40
已绑定手机

6

主题

16

回帖

122

积分

注册会员

积分
122
发表于 2025-10-14 15:59:29 | 显示全部楼层
下载触摸按键检验程序,然后使用触摸按键配套上位机测试软件进行调试
截图202510141556444506.jpg
截图202510141558493963.jpg

STC8H4K64Txx-触摸按键校验检测.zip

3.49 MB, 下载次数: 23

回复

使用道具 举报 送花

您需要登录后才可以回帖 登录 | 立即注册

本版积分规则

QQ|手机版|深圳国芯人工智能有限公司 ( 粤ICP备2022108929号-2 )

GMT+8, 2026-4-2 23:00 , Processed in 0.118275 second(s), 87 queries .

Powered by Discuz! X3.5

© 2001-2026 Discuz! Team.

快速回复 返回顶部 返回列表