找回密码
 立即注册
查看: 668|回复: 8

STC32G128K的UART3通讯不能接收计算机发送的字符串

[复制链接]
  • 打卡等级:初来乍到
  • 打卡总天数:1
  • 最近打卡:2025-10-09 10:18:37
已绑定手机

1

主题

4

回帖

17

积分

新手上路

积分
17
发表于 2025-10-9 10:18:37 | 显示全部楼层 |阅读模式
各位大神,

stc32G128K,画的串口通讯板,UART3与计算机RS232通讯,现在计算机可以收到stc32发送的字符和字符串,但stc收不到计算机发送的字符或串

谢谢谢谢!
t.PNG
回复

使用道具 举报 送花

3

主题

2857

回帖

1461

积分

等待验证会员

积分
1461
发表于 2025-10-9 10:23:00 | 显示全部楼层
楼主你好,关于你提到的 STC32G128K 的 UART3 无法接收计算机发送的字符串的问题,这是一个在串口通信中常见的故障现象。我们可以从以下几个方面来排查和解决这个问题:

一、硬件连接检查

1. 电平转换是否正确  
   STC32G128K 是 3.3V 或 5V 的 MCU,而计算机的 RS232 接口是 ±12V 的电平,不能直接连接。必须使用如 MAX232、MAX3232 等电平转换芯片进行电平匹配。请确认是否使用了正确的电平转换模块,并且 TXD 和 RXD 是否交叉连接(即 MCU 的 RXD 接转换模块的 TX,反之亦然)。

2. 引脚是否正确  
   确认你使用的是 UART3 的正确引脚。STC32G128K 可能有多个 UART 接口,需要确认你配置的是 UART3,并且对应的 RXD3 和 TXD3 引脚已经正确连接。

3. 焊接与接触问题  
   检查电路板上的 RXD3 引脚是否虚焊、短路或接触不良。可以使用万用表测量 RXD3 引脚是否有信号输入。

二、软件配置检查

1. UART3 初始化是否正确  
   检查 UART3 的初始化配置是否与计算机端的串口设置一致,包括波特率、数据位、停止位、校验位等参数。例如,若计算机设置为 9600, 8, N, 1,则 MCU 端也应配置为相同参数。

2. 中断或轮询方式是否启用  
   如果你使用中断方式接收数据,请确认是否开启了全局中断和 UART3 接收中断,并且中断服务函数是否正确编写。若使用轮询方式,则应检查是否调用了接收函数并正确判断接收标志位。

3. 缓冲区或变量问题  
   检查接收缓冲区是否被正确分配,是否在接收后及时处理数据。例如,接收函数是否将数据存入正确的变量或数组,是否有溢出或覆盖现象。

4. 是否启用多串口复用功能  
   STC32 系列单片机的 UART 引脚可能与其他功能复用,请确认是否通过寄存器配置将 UART3 的 RXD/TXD 映射到了正确的引脚上。

三、调试建议

1. 使用串口助手测试通信方向  
   可以使用串口助手(如 XCOM、SSCOM)向 MCU 发送字符,同时用逻辑分析仪或示波器观察 RXD3 引脚是否有电平变化,以确认信号是否到达 MCU。

2. 反向测试  
   将 MCU 的 TXD3 接到另一台设备的 RXD(例如另一块单片机或 USB 转 TTL 模块),测试是否能正常发送数据,以确认 UART3 是否工作正常。

3. 简化测试程序  
   编写一个最简测试程序,仅初始化 UART3 并在收到字符后回显,观察是否能收到数据。这样可以排除其他代码干扰。

四、可能的常见问题总结

| 问题类型 | 可能原因 | 解决方案 |
|----------|----------|-----------|
| 硬件问题 | 电平不匹配、引脚错误、焊接问题 | 使用电平转换芯片,检查引脚连接,重新焊接 |
| 配置错误 | 波特率不一致、中断未开启 | 核对串口配置,确保中断或轮询方式启用 |
| 软件逻辑问题 | 缓冲区未处理、接收函数未调用 | 检查接收逻辑,添加调试输出 |
| 引脚复用问题 | UART3 未映射到正确引脚 | 查阅数据手册,配置复用寄存器 |

五、结语

如果你已经确认硬件连接无误、电平转换正确、串口配置一致,但仍无法接收数据,建议你贴出 UART3 初始化代码和接收部分的代码,便于进一步分析具体问题所在。

希望以上分析对你有所帮助,祝你早日解决问题!

如有进一步疑问,欢迎继续交流。

[本文内容由国芯人工智能辅助生成,仅供参考]
回复

使用道具 举报 送花

  • 打卡等级:初来乍到
  • 打卡总天数:1
  • 最近打卡:2025-10-09 10:18:37
已绑定手机

1

主题

4

回帖

17

积分

新手上路

积分
17
发表于 2025-10-9 10:23:39 | 显示全部楼层
这是中断

这是中断程序

这是中断程序
回复

使用道具 举报 送花

  • 打卡等级:初来乍到
  • 打卡总天数:1
  • 最近打卡:2025-10-09 10:18:37
已绑定手机

1

主题

4

回帖

17

积分

新手上路

积分
17
发表于 2025-10-9 10:40:00 | 显示全部楼层
这些都试过了,我黔驴技穷了
回复

使用道具 举报 送花

  • 打卡等级:以坛为家III
  • 打卡总天数:725
  • 最近打卡:2026-03-30 12:09:34
已绑定手机

97

主题

7246

回帖

1万

积分

超级版主

积分
13798
发表于 2025-10-9 10:44:26 | 显示全部楼层

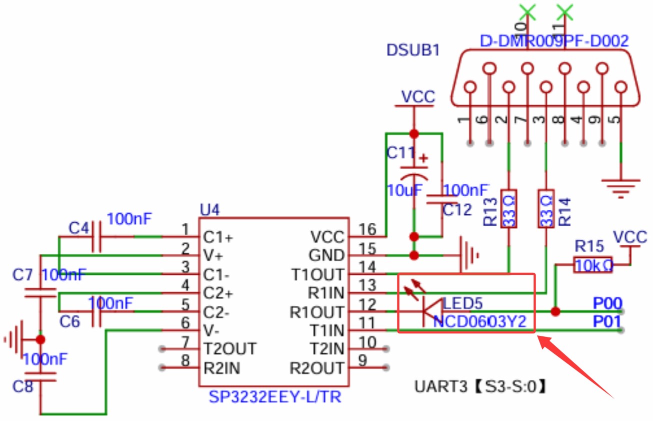
LED连接错误
截图202510091043475264.jpg

截图202510091044244614.jpg

回复

使用道具 举报 送花

  • 打卡等级:初来乍到
  • 打卡总天数:1
  • 最近打卡:2025-10-09 10:18:37
已绑定手机

1

主题

4

回帖

17

积分

新手上路

积分
17
发表于 2025-10-9 10:57:20 | 显示全部楼层
使用了UART3和UART2,UART3是RS232,UART2是两个RS485,UART2的2个RS485切换和通讯都正常,但UART3,测试觉得S3RI没有置1,会不会和串口芯片12脚的发光二极管LED5有关系呢?

点评

可以先测量一下串口3实际引脚上的信号,看看是否过小/无信号。 如果无信号,则为硬件问题。 如果有信号但是仍然接受不到,排查软件中,是否打开了串口接收标志 在S3CON中的S3REN标志,如果不置1则串口不能接收  详情 回复 发表于 2025-10-9 11:42
回复

使用道具 举报 送花

  • 打卡等级:以坛为家III
  • 打卡总天数:697
  • 最近打卡:2026-04-04 17:11:47
已绑定手机
已实名认证

130

主题

3388

回帖

8833

积分

版主

积分
8833
发表于 2025-10-9 11:42:02 | 显示全部楼层
AK47*** 发表于 2025-10-9 10:57
使用了UART3和UART2,UART3是RS232,UART2是两个RS485,UART2的2个RS485切换和通讯都正常,但UART3,测试觉 ...

可以先测量一下串口3实际引脚上的信号,看看是否过小/无信号。
如果无信号,则为硬件问题。
如果有信号但是仍然接受不到,排查软件中,是否打开了串口接收标志
在S3CON中的S3REN标志,如果不置1则串口不能接收
回复

使用道具 举报 送花

  • 打卡等级:初来乍到
  • 打卡总天数:1
  • 最近打卡:2025-10-09 10:18:37
已绑定手机

1

主题

4

回帖

17

积分

新手上路

积分
17
发表于 2025-10-9 12:10:28 | 显示全部楼层
王*** 发表于 2025-10-9 11:42
可以先测量一下串口3实际引脚上的信号,看看是否过小/无信号。
如果无信号,则为硬件问题。
如果有信号但 ...

1. LED5灯在计算机发送时是闪烁的
2. S3REN 是置1的
t1.PNG

点评

闪烁的问题可能更大,因为LED本身能亮起来就需要消耗2~3V的压降 经过这个固定压降以后,到I/O口的电压可能是低于高电平识别电压的  详情 回复 发表于 2025-10-9 13:59
回复

使用道具 举报 送花

  • 打卡等级:以坛为家III
  • 打卡总天数:697
  • 最近打卡:2026-04-04 17:11:47
已绑定手机
已实名认证

130

主题

3388

回帖

8833

积分

版主

积分
8833
发表于 2025-10-9 13:59:40 | 显示全部楼层
AK47*** 发表于 2025-10-9 12:10
1. LED5灯在计算机发送时是闪烁的
2. S3REN 是置1的

闪烁的问题可能更大,因为LED本身能亮起来就需要消耗2~3V的压降
经过这个固定压降以后,到I/O口的电压可能是低于高电平识别电压的
回复

使用道具 举报 送花

您需要登录后才可以回帖 登录 | 立即注册

本版积分规则

QQ|手机版|深圳国芯人工智能有限公司 ( 粤ICP备2022108929号-2 )

GMT+8, 2026-4-4 17:40 , Processed in 0.116405 second(s), 82 queries .

Powered by Discuz! X3.5

© 2001-2026 Discuz! Team.

快速回复 返回顶部 返回列表