找回密码
 立即注册
查看: 1501|回复: 10

8H8K64U 小白开启学习之路!

[复制链接]
  • 打卡等级:初来乍到
  • 打卡总天数:6
  • 最近打卡:2025-09-05 06:21:24
已绑定手机

3

主题

3

回帖

53

积分

注册会员

积分
53
发表于 2025-8-31 07:06:16 | 显示全部楼层 |阅读模式
第一集《STC最新8051单片机原理及应用-STC8H8K64U》视频课程导论

本集内容比较详细的介绍了单片机的历史沿革:

1-Z80时代(体积大,双列直插)

2-8086时代

3-intel 8031 (缺点:无程序存储器-RAM很小-需要专门大仿真器)

4-intel 8051 (STC单片机也是在8051的内核基础上进行发展的)

5-intel 8751 (外壳中间有透明窗口,用于擦除和编程)

6-atmel at89c51 编程电压12V

7-STC89C52RC 2005年以后发展迅速,非常经典!ISP可在系统可编程

8-STC12系列、STC15系列 

9-STC8系列 其中典型代表:STC8H8K64U


本集介绍了学习单片机的基本条件

-⒈ 常用的元器件 
电阻和排阻 :参数方面需要了解阻值/功率/精度(测量精密信号时);
电容:极电容和电解电容(有正负极)
二极管:一般二极管和发光二极管
三极管(可用做电子开关):NPNPNP 三种工作状态:截止/放大/饱和  
晶振:结合单片机内部电路,提供振荡电路,提供时钟
数码管:共阳极/共阴极 进行段选或位选控制;
面包板:用于搭建简单的电路或者测试电路
万能板(洞洞板)+套件:替代面包板的虚接现象;单孔和双孔结构;
实验箱:STC提供支持;
因为没有实验箱,所以该部分具体内容还需后续重新进一步学习!!!

-2 单片机学习需要的软件 开发仿真软件

Keil (具有编译和仿真功能)

ISP程序下载软件(STC提供)

-3 下载程序的步骤



坚持学习!!!
期待有了实验箱后能进步更快!!!




截图202508310704246155.jpg
创新无界 匠心精铸
回复

使用道具 举报 送花

3

主题

2944

回帖

1634

积分

等待验证会员

积分
1634
发表于 2025-8-31 07:08:00 | 显示全部楼层
作为国芯人工智能团队的一员,我们非常高兴看到您对STC8H8K64U这款单片机的学习热情。STC8H8K64U是基于8051内核的高性能、低功耗、高集成度的8位单片机,广泛应用于工业控制、智能家电、物联网等领域。它不仅继承了传统8051架构的稳定性和易用性,还在性能、外设和功耗管理方面进行了多项优化,是一款非常适合初学者入门并深入学习的开发平台。

在您提到的视频课程导论中,详细回顾了单片机的发展历程,从Z80到8086,再到8031、8051、8751以及Atmel AT89C51等经典型号,展现了单片机技术的演进过程。这些早期机型为后续的MCU发展奠定了坚实的基础,而STC8H8K64U正是在此基础上不断进化而来。

STC8H8K64U具备以下特点:
高性能:内置8051内核,主频可达48MHz;
大容量存储:64KB Flash程序存储器,4KB SRAM;
丰富的外设:包括ADC、PWM、UART、SPI、I2C、CAN等;
低功耗设计:支持多种省电模式,适用于电池供电设备;
易于开发:支持ISP/IAP编程,无需专用仿真器即可进行调试与更新。

对于初学者而言,建议从基础的GPIO操作、定时器、中断、串口通信等模块入手,逐步掌握单片机的基本工作原理和编程方法。同时,结合实际项目(如LED控制、传感器采集、数据传输等)进行实践,有助于加深理解并提升动手能力。

此外,国芯人工智能也致力于推动国产芯片生态的发展,我们鼓励更多开发者关注并使用国产MCU产品,共同构建更加自主可控的技术体系。

如果您在学习过程中遇到任何问题,欢迎随时提问,我们将尽力为您提供专业支持。祝您学习顺利,早日成为单片机开发的高手!

[本文内容由国芯人工智能辅助生成,仅供参考]
回复

使用道具 举报 送花

  • 打卡等级:以坛为家I
  • 打卡总天数:266
  • 最近打卡:2025-12-16 08:29:17

812

主题

1万

回帖

2万

积分

管理员

积分
21272
发表于 2025-8-31 10:38:50 | 显示全部楼层
推荐优先看的 printf_usb("Hello World !\r\n")及usb不停电下载, 演示视频链接


上面是 小李 演示:STC8H8K64U, printf_usb("Hello World !\r\n")及usb不停电下载@AiCube之图形化程序自动生成


上面是 小赵 演示:STC8H8K64U, printf_usb("Hello World !\r\n")及usb不停电下载@AiCube之图形化程序自动生成



上面是 小李 演示:Ai8051U, printf_usb("Hello World !\r\n")及usb不停电下载@AiCube之图形化程序自动生成


上面是 小赵 演示:Ai8051U, printf_usb("Hello World !\r\n")及usb不停电下载@AiCube之图形化程序自动生成
回复

使用道具 举报 送花

  • 打卡等级:偶尔看看III
  • 打卡总天数:54
  • 最近打卡:2025-12-16 09:25:49

18

主题

144

回帖

1296

积分

版主

积分
1296
发表于 2025-9-2 08:53:01 | 显示全部楼层
请您后续打卡放在同一帖子,不同楼层下,谢谢
回复

使用道具 举报 送花

  • 打卡等级:偶尔看看III
  • 打卡总天数:54
  • 最近打卡:2025-12-16 09:25:49

18

主题

144

回帖

1296

积分

版主

积分
1296
发表于 2025-9-2 08:57:20 | 显示全部楼层
8H8K64U 小白开启学习之路! 第二天学习内容
第一个入门实例:点灯




原理图:

利用keil开发程序的步骤:

首先需要进行软件的安装--自己通过了网上查到的信息,进行了正确安装(破解版)

实操:
LED灯闪烁

根据视频内容,一步一步的完成了如何新建项目工程、如何利用ISP添加STC芯片资料到Keil的设备中去;

视频中,很仔细的介绍了Keil的基本操作方法和相关设置内容,这些内容对初学者是非常重要的,否则是无法完成后续的程序仿真和下载烧录操作的;

视频中详细介绍了如何创建"main.c"的过程;

新建了第一个工程,并根据视频内容“照猫画虎”完成了第一个代码的编写;
再编写代码的过程中,感觉到还是要实际上手才行,只是单纯到看视频,真正到了写代码到时候,完全是两码事,理论结合实践还是非常非常重要的!!!

ctrl+鼠标滚轮 放大或缩小keil代码的文字大小;

设置输出“.hex”文件;

因为没有实验箱,所以下载操作无法进行!

视频中详细介绍了USB下载程序的步骤;

下载程序后,LED灯闪烁的速度快慢,由设置的延时参数数值决定,因为STC8H的运行速度极快,所以该处设置的参数数值可以加大些;(有了实验箱之后,可以自己设置数值感觉一下!!!)

ISP工具中的软件延时计算器工具,可以自动生成延时代码;其中选择8051指令集的时候,要选择stc-T6,适用于STC8H系列;

通过如上的延时代码自动生成之后,按照教学视频的内容把代码也重新替换掉了;编译后是成功的。

STC提供的ISP上面的小工具要充分利用起来,对编写代码非常方便!!!

视频中详细讲解了当编译后出现错误当时候,逐步解决问题的思路!!!非常重要!在视频的第36分钟的位置。


关于程序语句,建议不用do while...,实际编写代码的时候很少用到!


有关计算机编程的基础概念

1-计算机中的数制:
十六进制(0X..开头的代表)0-9 及大写英文字母A-B-C-D-E-F (建议采用大写字母)10-15
十进制(后缀D
二进制(B代表):计算机内部晶体管的截止饱和两个状态表示01两个数字。

不同数制之间的转换;因为对该处早期有学习过,所以对视频讲解的内容是可以理解的;

视频中,第45分钟开始,讲解了十进制小数点转换为二进制的方法,待日后用到待时候,返回来重新学习一下!

2-几个单位
bit 最小的数字单位
B- K-M-G-T

3-计算机系统

硬件-软件(操作系统/应用软件/计算机的微观构成)

总线的概念:地址总线-数据总线-控制总线

访问的概念:



单片机的生产厂商及代表型号


总结:
 通过第二个视频的学习,已经有了对STC8H系列单片机的I/O口配置的概念,并且了解了相关的计算机基本构成;同时了解到STC提供的ISP工具的实用性,日后需要继续深入了解,提高开发效率!!!

继续坚持!
截图202509020853445402.jpg
截图202509020853541851.jpg
截图202509020854061375.jpg
截图202509020854141435.jpg
截图202509020854242211.jpg
截图202509020854387079.jpg
截图202509020854507828.jpg
截图202509020855008024.jpg
截图202509020856084209.jpg
截图202509020856344424.jpg
截图202509020856421942.jpg
截图202509020857029994.jpg
截图202509020857145164.jpg

回复

使用道具 举报 送花

  • 打卡等级:偶尔看看III
  • 打卡总天数:54
  • 最近打卡:2025-12-16 09:25:49

18

主题

144

回帖

1296

积分

版主

积分
1296
发表于 2025-9-2 09:00:18 | 显示全部楼层
8H8K64U 小白开启学习之路! 第三天学习内容 视频第三集 数字逻辑与基本数字电路
学单片机必须要实战!要多动手!

一、数字逻辑与基本数字电路的学习:

逻辑电平:指一种信号的状态;高电平和低电平

     5V系统下,TTLCMOS兼容数字逻辑电平。

上升沿和下降沿:多用于波形的分析!!!


基本逻辑运算:

逻辑变量的值只有两个:逻辑0和逻辑1

逻辑运算主要包括:与、或、非、异或等

逻辑运算只是按位进行运算,没有进位和借位问题,逻辑变量也没有符号问题;

逻辑与(AND)^或者圆点表示,其中圆点也可以省略;如Y=A.B Y=AB:也叫做逻辑乘;还可以看做是两个开关在电路中串联;逻辑与的运算结果叫做逻辑积;

了解了“真值表”的概念

逻辑与对应的逻辑电路是与门:


国际标准符号:

逻辑或(OR{+表示;如Y=AB }:逻辑或的运算结果叫做逻辑和;还可以看做是两个开关在电路中并联;

逻辑或对应的逻辑电路是或门;

国际标准符号:

逻辑非(NOT:也叫逻辑反; 表达式: file:///C:/Users/HAONAN~1/AppData/Local/Temp/msohtmlclip1/01/clip_image002.gif
逻辑非对应的逻辑电路是非门;

国际标准符号:

与非门

二、单片机的应用场景:

通过视频了解到PLC控制也是基于单片机的基础上实现的!PLC相比单片机而言,体积大,成本高!

物联网的发展,单片机将被更多的使用!

其他方面,智能家居等场景的应用;

单片机的特点:
集成度高,体积小;(国内第一台单片微型计算机系统TP801

功耗低;
可靠性高;应用于工业场合,要求比较高的环境下使用;设计硬件的时候,如何屏蔽一些干扰信号(布置PCB线路
     板的时候,地线和VCC及信号线尽可能的加粗),从而稳定单片机的可靠性。
     硬件设计的相关规范和软件设计方面的规范(看门狗的设计--定期喂食物、定期写计算器的值)
价格低廉;

单片机的应用场景:
智能仪器仪表;

工业和农业实时监控; 视频中再次强调了,通过调用库函数,提高开发效率!
           设备层-通讯层-监控层

计算机网络和通信领域; 常见的产品如网络交换机

家用电器;
医疗设备领域;
汽车设备领域; 车规级的芯片(控制发动机的高端芯片)
其他领域:如办公设备、商业活动、机械制造、国防航空航天等;
在视频的第40分钟时,提到了程序的在线仿真(在线仿真的意思:可以逐步执行代码,来对应硬件的每一步反应!!!)

如何进行程序等仿真,在第42分钟第时候;--该段内容非常关键!
  其中1-ISP工具中,选项栏Keil仿真设置

      2-Keil编译器里面的仿真设置:其中仿真三种按钮的使用需要反复的琢磨一下~~~

设置在线仿真后,硬件需要重新断电、上电操作一次!!!

因为没有实验箱,没有办法来实际按照视频的教学操作!!!

视频第49分钟开始,STC官方的姚老师进行了公司和单片机应用场景的补充介绍。

如:无人机领域、汽车轮胎动平衡机控制器等

姚老师提到,看陈老师视频4-5集视频,就可以申请实验箱了!

本集视频学习心得:

更加了解了单片机的应用领域;
了解了单片机的基本特点;

需要通过实践,进一步熟悉在线仿真操作的流程和ISPKeil的相关配置。
截图202509020858263167.jpg
截图202509020858343693.jpg
截图202509020858457420.jpg
截图202509020859013066.jpg
截图202509020859115247.jpg
截图202509020859185142.jpg
截图202509020859271705.jpg
截图202509020900006405.jpg
截图202509020900108350.jpg
回复

使用道具 举报 送花

  • 打卡等级:初来乍到
  • 打卡总天数:6
  • 最近打卡:2025-09-05 06:21:24
已绑定手机

3

主题

3

回帖

53

积分

注册会员

积分
53
发表于 2025-9-2 09:57:54 | 显示全部楼层
西西*** 发表于 2025-9-2 08:53
请您后续打卡放在同一帖子,不同楼层下,谢谢

多谢提醒和帮助!

对发贴子也是小白,有什么不对对地方,麻烦随时指教哈
创新无界 匠心精铸
回复

使用道具 举报 送花

  • 打卡等级:初来乍到
  • 打卡总天数:6
  • 最近打卡:2025-09-05 06:21:24
已绑定手机

3

主题

3

回帖

53

积分

注册会员

积分
53
发表于 2025-9-3 08:28:10 | 显示全部楼层
8H8K64U 小白开启学习之路! 第四天学习内容 视频

第四集 单片机的内部结构
需要了解单片机的内部一些资源;
做项目之前需要评估单片机的资源和各单片机生产厂提供的单片机是否满足设计需求(每家的单片机都不是万能都,都各自有各自的技术特点,比如算例不同)
1-微型计算机的框架结构:

2-传统的8051单片机内部结构:

其中TMP1和TMP2是两个暂存寄存器;ACC是累加器;B寄存器(只用于存储和运算);PSW寄存器(程序状态标志寄存器);这些都属于运算器的内部资源;

程序存储器(.HEX文件就下载到这里面)相当于计算机的硬盘;RAM相当于计算机的内存条,掉电后数据消失。

锁存器的概念:在输入新数据之前,其内部的数据会一直保持不变;

驱动器的目的是对输出信号的放大,过于微弱的信号直接输出是不行的;

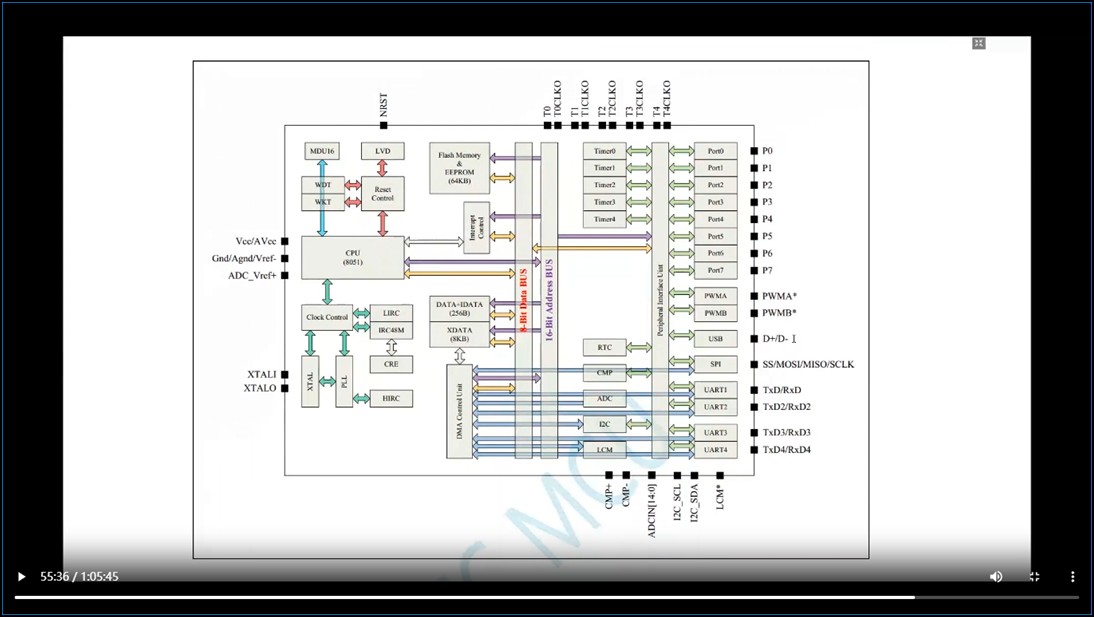
3-STC8H8K64U单片机的内部结构

WDT-看门狗
LVD-低电压检测(当采用电池供电时,可以实时检测电池的电压,是否需要充电或者更换电池了)
MDU16-是一个16位的乘法器和除法器
内部有时钟控制(高速和低速,无需外接晶振),让单片机(在脉冲的驱动下)运行;
定时器-5个16位;
中断控制-内部计数器或外部中断
DMA控制单元功能--解放CPU的负担
CMP-比较器 
USB外设接口:目前陈老师只是用该接口进行仿真,还没有用到USB通讯
等等;

单片机的中央处理器(CPU)由运算器和控制器构成:

1-运算器:
2-控制器:

存储器空间及存储器-1:

其中程序存储器可以下载10万次!!!

特殊功能寄存器:SFR (单片机的所有功能都是通过对特殊功能寄存器SFR的设置来实现的)

存储器空间及存储器-2:

中断向量--中断服务程序的入口地址
跳转指令辅助完成中断程序~~~

字节地址和位地址的不同之处
MSB:最高有效位
LSB:最低有效位

特殊功能寄存器的位地址(可以被8整除的,都可以进行位寻址!)

对存储空间了解了,才能知道自己编写对程序放在了内部存储器的具体位置!!

该视频,陈老师讲解到第47分钟左右结束,接下来是STC姚老师对陈老师本节讲座划一下重点!

姚老师:千万不要认为只听一次就能听懂的!能一次听懂的不是天才,而是鬼才!
     数制:对STC8H的数据手册内容进行说明!

针对STC8H的数据手册,上面也有非常详细的相关教程内容,要仔细的进行阅读和理解!!!

USB(D+/D-):好处是什么?--直接插到电脑上,就可以通讯了!!!属于差分信号(485也属于差分信号);高速通讯都是属于差分信号的!!!

本集视频学习心得:

  存储器的讲解内容比较粗矿,对小白听起来后基本概念相对模糊,还需要借鉴其他资料来进一步理解!
  反复的阅读并学习STC8H的数据手册,结合本集视频内容,加深理解!
  建议STC官方,出一期关于STC8H数据手册详细的视频教学,可以让小白更容易看懂数据手册,而不会因为手册内容过多被吓到,打击到学习单片机的自信心!!!
截图202509030820267404.jpg
截图202509030820538459.jpg
截图202509030821275485.jpg
截图202509030821366576.jpg
截图202509030822078525.jpg
截图202509030822337656.jpg
截图202509030822559564.jpg
截图202509030823039084.jpg
截图202509030823113687.jpg
截图202509030823339407.jpg
截图202509030824068329.jpg
截图202509030824266935.jpg
截图202509030824406754.jpg
截图202509030824505333.jpg
截图202509030825005827.jpg
截图202509030825205415.jpg
截图202509030825417186.jpg
截图202509030826189076.jpg
截图202509030826419249.jpg
截图202509030826496955.jpg
截图202509030827094125.jpg
创新无界 匠心精铸
回复

使用道具 举报 送花

  • 打卡等级:初来乍到
  • 打卡总天数:6
  • 最近打卡:2025-09-05 06:21:24
已绑定手机

3

主题

3

回帖

53

积分

注册会员

积分
53
发表于 2025-9-4 08:56:59 | 显示全部楼层
8H8K64U 小白开启学习之路! 第四天学习内容 视频第五集 存储器空间及存储器

陈老师再次强调,学习单片机,实操特别重要!

特殊功能寄存器分为两类:
一、与芯片的引脚有关;
二、用于芯片内部功能的控制或者内部寄存器;如中断控制、定时器、串行口、SPI接口、PWM模块、ADC模块的控制等;

单片机的功能就是通过特殊功能寄存器的设置来实现的。


扩展特殊功能寄存器:XFR
扩展RAM:XDATA

单片机的内部和外部概念是相对的!在8051内核外部扩展的RAM简称为:XRAM。

举例:当采用数量大的数组时,要把数组定义到XDATA(扩展)

通过在Keil中设置,来改变寄存器的位置;如下图所示:

定义函数的时候加上XDATA关键字,这样避免全部变量都放在了XDATA中;

该视频部分要仔细、反复的练习,充分理解!


接下来视频的主要内容是:

一、单片机的引脚:

引脚的识别方法:左下角小圆点(凹下去的点)+丝印方向为正向 左下角为第1引脚 逆时针依次增加;
芯片点版本号:识别方式最下面一行的最后一个英文字母
单片机引脚的复用功能
单片机的封装结构分类;LQFP/QFN/PDIP


二、单片机的输入输出接口

保证单片机能够正常工作的系统,称之为最小系统!
STC8H芯片内部集成了上电复位的功能;

1-电源引脚:Vcc/AVcc
      GND/AGND
   其中的A代表的是模拟的意思
  真正处理模拟量的芯片中,AVcc和AGND是分开的;
模拟量的处理对电源要求非常高!!!

2-外接晶体引脚:
XTALI/XTAXO  分别是芯片内部一个反相放大器的输入端和输出端,通常用于连接晶体振荡器;
3-控制和复位引脚:

4-输入和输出引脚:简称I/O引脚

I/O口有两个作用:
1-开关量的输入和输出(即高低电平)
2-用作复用功能

I/O口可配置的四种工作模式:
1-准双向口/弱上拉模式
2-推挽输出/强上拉模式--用于驱动比较大的场合!!!
3-仅为输入(高阻)
4-开漏模式

灌电流和拉电流的概念:
灌电流指外部电路电流经芯片引脚流入内部的现象,通常发生于引脚输出低电平(如0V)状态。此时外部负载通过电源与限流电阻连接至引脚,电流方向由外部流向芯片。
LED驱动:共阳极LED电路中,引脚输出低电平时灌电流路径形成,LED导通亮度由灌电流值与限流电阻共同决定

拉电流灌电流名词解释
一个重要的前提:灌电流和拉电流是针对端口而言的,而且都是针对IC的输出端口。名词解释——灌:注入、填充,由外向内、由虚而实。渴了,来一大杯鲜榨橙汁,一饮而尽,饱了,这叫“灌”。灌电流(sink current) ,对一个端口而言,如果电流方向是向其内部流动的则是“灌电流”,比如一个IO通过一个电阻和一个LED连接至VCC,当该IO输出为逻辑0时能不能点亮LED,去查该器件手册中sink current参数。名词解释——拉:流出、排空,由内向外,由实而虚。一大杯鲜橙汁喝了,过会儿,憋的慌,赶紧找卫生间,一阵“大雨”,舒坦了,这叫“拉”。拉电流(sourcing current),对一个端口而言,如果电流方向是向其外部流动的则是“拉电流”,比如一个IO通过一个电阻和一个LED连至GND,当该IO输出为逻辑1时能不能点亮LED,去查该器件手册中sourcing current参数。外部流动的则是“拉电流”拉电流和灌电流是衡量电路输出驱动能力(注意:拉、灌都是对输出端而言的,所以是驱动能力)的参数,这种说法一般用在数字电路中。这里首先要说明,芯片手册中的拉、灌电流是一个参数值,是芯片在实际电路中允许输出端拉、灌电流的上限值(允许最大值)。而下面要讲的这个概念是电路中的实际值。由于数字电路的输出只有高、低(0,1)两种电平值,高电平输出时,一般是输出端对负载提供电流,其提供电流的数值叫“拉电流”;低电平输出时,一般是输出端要吸收负载的电流,其吸收电流的数值叫“灌(入)电流”。
对于输入电流的器件而言:灌入电流和吸收电流都是输入的,灌入电流是被动的,吸收电流是主动的。如果外部电流通过芯片引脚向芯片内‘流入’称为灌电流(被灌入);反之如果内部电流通过芯片引脚从芯片内‘流出’称为拉电流(被拉出)

利用ISP工具中的软件I/O口进行配置,自动生成代码;

特别注意:
除P3.0和P3.1外,其余所有I/O口上电后的状态均为高阻输入状态,用户在使用I/O口前必须先设置I/O口模式。




截图202509040850062901.jpg
截图202509040850442162.jpg
截图202509040851095227.jpg
截图202509040851297588.jpg
截图202509040851496352.jpg
截图202509040851563655.jpg
截图202509040852092282.jpg
截图202509040852185941.jpg
截图202509040852294638.jpg
截图202509040852563154.jpg
截图202509040853242948.jpg
截图202509040853474806.jpg
截图202509040854108317.jpg
截图202509040854289095.jpg
截图202509040854536398.jpg
截图202509040855001544.jpg
截图202509040855276643.jpg
截图202509040855469920.jpg
截图202509040856066222.jpg
截图202509040856162986.jpg
截图202509040856402033.jpg
创新无界 匠心精铸
回复

使用道具 举报 送花

  • 打卡等级:初来乍到
  • 打卡总天数:6
  • 最近打卡:2025-09-05 06:21:24
已绑定手机

3

主题

3

回帖

53

积分

注册会员

积分
53
发表于 2025-9-5 06:21:24 | 显示全部楼层
8H8K64U 小白开启学习之路! 第六天学习内容 视频 第六集 I/O口的工作模式(接第五集)

根据项目,做好单片机引脚的资源分配;并按照资源分配表来进行对应的开发;

I/O口的复用功能(也称为功能引脚切换):通过锁存器来实现功能引脚的切换!!!

地址总线:16位

外部中断输入多用于扑捉外部设备的故障信息!!!
串口1用于程序的下载和调试!

RS232通讯用的很少了!!!

I/O口的复用功能:
  通过如下截图中的表格,设置相关的特殊功能寄存器来实现的。
  寄存器不需要死记硬背,只需要会查阅,能灵活使用即可!

I/O口的使用:
传统单片机内部为弱上拉,外部的信号无法准确的识别;所以传统单片机的引脚即使不使用,也要把引脚外接上拉电阻接到电源上去!这样才使得系统更稳定!

ISP的I/O设置项,选择高级设置,即可进入配置!!!

拉电流和灌电流的选择:推荐使用灌电流模式;

典型的三极管控制电路:
当需要驱动的功率器件比较多时,建议采用达林顿管驱动器ULN2803;
如果控制的器件功率更大时,也可以采用控制场效应管的方式;
I/O口外部状态的输入;


单片机应用系统的典型结构:

片内有效!!!

总线扩展方式的单片机应用系统构成:

电子学中,施密特触发器(英语:Schmitt trigger)是包含正反馈的比较器电路。
对于标准施密特触发器,当输入电压高于正向阈值电压,输出为高;当输入电压低于负向阈值电压,输出为低;当输入在正负向阈值电压之间,输出不改变,也就是说输出由高电准位翻转为低电准位,或是由低电准位翻转为高电准位时所对应的阈值电压是不同的。只有当输入电压发生足够的变化时,输出才会变化,因此将这种元件命名为触发器。这种双阈值动作被称为迟滞现象,表明施密特触发器有记忆性。从本质上来说,施密特触发器是一种双稳态多谐振荡器。
施密特触发器可作为波形整形电路,能将模拟信号波形整形为数字电路能够处理的方波波形,而且由于施密特触发器具有滞回特性,所以可用于抗干扰,其应用包括在开回路配置中用于抗扰,以及在闭回路正回授/负回授配置中用于实现多谐振荡器。

鲁棒性是 robustness 的音译,在中文中常常也被表达为健壮性和强壮性,总体来说其可以用于反映一个系统在面临着内部结构或外部环境的改变时也能够维持其功能稳定运行的能力 [1]。该性质广泛地用于包括计算机科学、控制科学与工程、生物学和数学模型等众多领域,在不同的领域中,其具体含义也存在着差异,如计算机软件在输入错误、磁盘故障、网络过载或有意攻击情况下,能否不死机、不崩溃,就是该软件的鲁棒性;一个控制系统在一定(结构,大小)的参数摄动下,维持其某些性能的特性,即为该控制系统的鲁棒性;在细胞遇到了环境变化或遗传变异时,细胞能否正常存活发挥其生物功能即为该细胞系统的鲁棒性


视频从第34分钟开始,进入到了汇编语言程序设计的讲解;


ASM是汇编语言(Assembly Language)的缩写,属于低级编程语言,直接对应计算机的机器指令。在特定编程场景中,它也可能指代C/C++的内联汇编语法关键字。
________________________________________汇编语言(Assembly Language)的定义
1.        本质特性
ASM作为汇编语言的简称,是一种接近硬件层的编程语言。它使用助记符(如MOV、ADD)替代二进制机器码,可直接操作CPU寄存器、内存地址等底层资源。
2.        应用场景
常用于操作系统内核开发、嵌入式系统编程、驱动程序编写等对执行效率和硬件控制有极高要求的领域。例如实时系统调度或微控制器指令优化。


本视频第1小时14分左右,陈老师课程结束,STC姚老师继续补充!!!

本集视频心得:

  每个I/O口的复用功能,需要根据视频讲解反复熟悉;
  进一步分析如何进行各个I/O口的资源分配,并整理出资源分配表,用于下一步的开发;
  使用ISP工具对I/O口进行图形化对配置(高级配置),自动生成代码;
  学习汇编语言还是非常有价值的!



截图202509050615148235.jpg
截图202509050615249505.jpg
截图202509050615413588.jpg
截图202509050616027746.jpg
截图202509050616121680.jpg
截图202509050616342102.jpg
截图202509050616548375.jpg
截图202509050617131336.jpg
截图202509050617308807.jpg
截图202509050617482675.jpg
截图202509050618119432.jpg
截图202509050618233645.jpg
截图202509050618488125.jpg
截图202509050618596353.jpg
截图202509050619529154.jpg
截图202509050619584840.jpg
截图202509050620194965.jpg
截图202509050620266725.jpg
创新无界 匠心精铸
回复

使用道具 举报 送花

您需要登录后才可以回帖 登录 | 立即注册

本版积分规则

QQ|手机版|深圳国芯人工智能有限公司 ( 粤ICP备2022108929号-2 )

GMT+8, 2025-12-16 16:17 , Processed in 0.131853 second(s), 88 queries .

Powered by Discuz! X3.5

© 2001-2025 Discuz! Team.

快速回复 返回顶部 返回列表