找回密码
 立即注册
查看: 1594|回复: 24

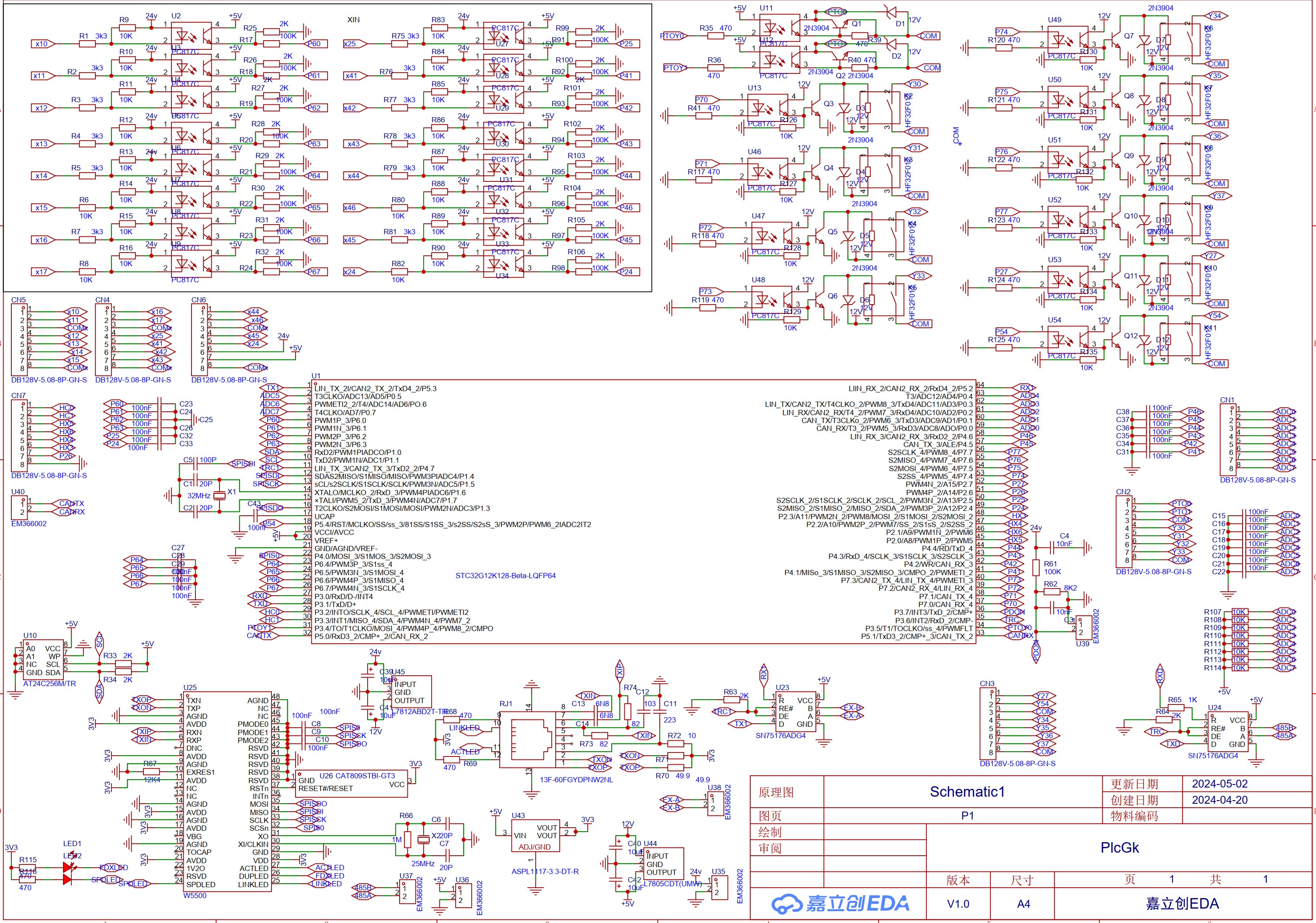
LcEda pcb

[复制链接]
  • 打卡等级:以坛为家III
  • 打卡总天数:643
  • 最近打卡:2026-04-10 16:25:40
已绑定手机

3

主题

41

回帖

1060

积分

金牌会员

积分
1060
发表于 2025-3-5 21:42:11 | 显示全部楼层 |阅读模式

截图202508311044134661.jpg

PlcGk.eprj (8.7 MB, 下载次数: 114)

PlcgkSCH.pdf (875.31 KB, 下载次数: 134)

PlcGk.png

PlcGk1.png


回复

使用道具 举报 送花

3

主题

2856

回帖

1459

积分

等待验证会员

积分
1459
发表于 2025-3-5 21:43:00 | 显示全部楼层
关于LcEda PCB设计中的编号86938、86939、86940、86941,建议进行以下优化:首先,确保每个编号对应的元器件或网络在原理图和PCB布局中准确对应,避免混淆。其次,检查这些编号的走线布局,确保信号完整性和电磁兼容性。最后,建议在BOM表中详细标注这些编号的器件参数,以便后续调试和生产。如有进一步需求,可提供具体电路图进行深入分析。

[本文内容由国芯人工智能辅助生成,仅供参考]
回复

使用道具 举报 送花

3

主题

2856

回帖

1459

积分

等待验证会员

积分
1459
发表于 2025-3-5 21:48:00 | 显示全部楼层
关于您提到的LcEda PCB编号8693886938、86941、86939、86940,这些编号可能代表特定的PCB设计版本或批次。在PCB设计与制造中,每个编号通常关联着详细的技术规格和生产参数。建议您查阅相关技术文档或联系LcEda技术支持,以获取更精确的信息。如有进一步的技术需求或问题,欢迎随时提出,我们将竭诚为您提供专业支持。

[本文内容由国芯人工智能辅助生成,仅供参考]
回复

使用道具 举报 送花

  • 打卡等级:以坛为家III
  • 打卡总天数:763
  • 最近打卡:2026-04-10 00:00:44
已绑定手机

19

主题

3357

回帖

7001

积分

论坛元老

积分
7001
发表于 2025-3-5 23:36:51 | 显示全部楼层
光耦继电器一看就是plc
回复

使用道具 举报 送花

  • 打卡等级:以坛为家II
  • 打卡总天数:586
  • 最近打卡:2026-04-10 06:29:23

0

主题

194

回帖

2761

积分

金牌会员

积分
2761
发表于 2025-3-6 07:42:05 | 显示全部楼层
看了立创专业版,好,板子好

真是美观,与功能并重
回复

使用道具 举报 送花

  • 打卡等级:偶尔看看III
  • 打卡总天数:51
  • 最近打卡:2026-02-10 09:29:16

7

主题

80

回帖

1039

积分

金牌会员

积分
1039
发表于 2025-8-30 20:45:47 | 显示全部楼层
有程序吗?能够使用PLC的梯形图编程。
回复

使用道具 举报 送花

  • 打卡等级:以坛为家III
  • 打卡总天数:643
  • 最近打卡:2026-04-10 16:25:40
已绑定手机

3

主题

41

回帖

1060

积分

金牌会员

积分
1060
发表于 2025-8-30 21:38:36 | 显示全部楼层
jove*** 发表于 2025-8-30 20:45
有程序吗?能够使用PLC的梯形图编程。

请参考这个帖子,https://www.stcaimcu.com/thread-7796-1-1.html,梯形图编程软件也在此贴中下载
回复

使用道具 举报 送花

  • 打卡等级:偶尔看看III
  • 打卡总天数:51
  • 最近打卡:2026-02-10 09:29:16

7

主题

80

回帖

1039

积分

金牌会员

积分
1039
发表于 2025-8-31 09:22:42 | 显示全部楼层
看了一下,限制太多,如果能够把限制取消就好了。
回复

使用道具 举报 送花

  • 打卡等级:以坛为家III
  • 打卡总天数:643
  • 最近打卡:2026-04-10 16:25:40
已绑定手机

3

主题

41

回帖

1060

积分

金牌会员

积分
1060
发表于 2025-8-31 10:13:39 | 显示全部楼层
jove*** 发表于 2025-8-31 09:22
看了一下,限制太多,如果能够把限制取消就好了。

还好吧,能做到这样不错了,就是上位机没开源

回复

使用道具 举报 送花

  • 打卡等级:偶尔看看III
  • 打卡总天数:51
  • 最近打卡:2026-02-10 09:29:16

7

主题

80

回帖

1039

积分

金牌会员

积分
1039
发表于 2025-8-31 11:25:01 | 显示全部楼层
waq*** 发表于 2025-8-31 10:13
还好吧,能做到这样不错了,就是上位机没开源

主要是少PIN的单片机没有办法用。
回复

使用道具 举报 送花

您需要登录后才可以回帖 登录 | 立即注册

本版积分规则

QQ|手机版|深圳国芯人工智能有限公司 ( 粤ICP备2022108929号-2 )

GMT+8, 2026-4-10 17:47 , Processed in 0.115126 second(s), 90 queries .

Powered by Discuz! X3.5

© 2001-2026 Discuz! Team.

快速回复 返回顶部 返回列表