找回密码
 立即注册
楼主: wuzhengmin

学习休眠唤醒遇到的问题:1无法开启休眠 2舍弃一下功能后能进入休眠但无法唤醒

[复制链接]
  • 打卡等级:常住居民III
  • 打卡总天数:158
  • 最近打卡:2026-04-08 10:46:34
已绑定手机

22

主题

2458

回帖

3488

积分

论坛元老

积分
3488
发表于 2026-2-28 14:12:18 | 显示全部楼层
看管脚定义和真值表:

截图202602281411399104.jpg
截图202602281412162241.jpg
回复

使用道具 举报 送花

  • 打卡等级:常住居民III
  • 打卡总天数:158
  • 最近打卡:2026-04-08 10:46:34
已绑定手机

22

主题

2458

回帖

3488

积分

论坛元老

积分
3488
发表于 2026-2-28 15:21:36 | 显示全部楼层
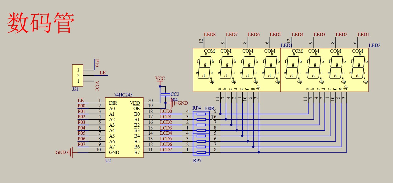
我们需要DIR取高电平,A入B出!OE给低电平,使能74HC245芯片工作

74HC138芯片简介


截图202602281521341823.jpg
回复

使用道具 举报 送花

  • 打卡等级:常住居民III
  • 打卡总天数:158
  • 最近打卡:2026-04-08 10:46:34
已绑定手机

22

主题

2458

回帖

3488

积分

论坛元老

积分
3488
发表于 2026-2-28 16:02:29 | 显示全部楼层
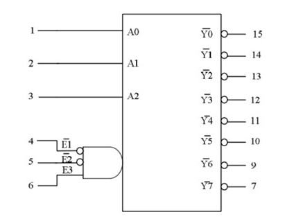
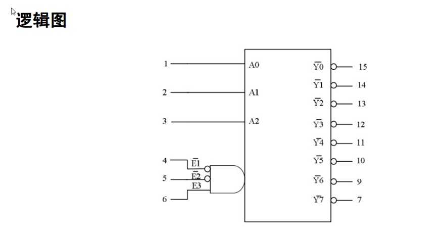
74HC138主要是解决位选的IO口数量问题

用3个IO口控制8个输出


A0 A1 A2 是输入, Y0 ----Y7 是输出 ,3入8出,也叫38译码器
E1 E2 E3 是对应的使能端

供电电压是3.0---5.0

E1 E2 是低电压有效 E3是高电压有效


截图202602281602278574.jpg
回复

使用道具 举报 送花

  • 打卡等级:常住居民III
  • 打卡总天数:158
  • 最近打卡:2026-04-08 10:46:34
已绑定手机

22

主题

2458

回帖

3488

积分

论坛元老

积分
3488
发表于 2026-2-28 16:04:05 | 显示全部楼层
我们看真值表:

截图202602281604021126.jpg
回复

使用道具 举报 送花

  • 打卡等级:常住居民III
  • 打卡总天数:158
  • 最近打卡:2026-04-08 10:46:34
已绑定手机

22

主题

2458

回帖

3488

积分

论坛元老

积分
3488
发表于 2026-2-28 16:10:24 | 显示全部楼层
我门是共阴极的数码管,阳极是连接到对应段选口 , 而38译码器的输出是低电平有效:

看我们共阴的单个数码管:

每个数码管公共端就要连到Y0到Y7这8个引脚:
截图202602281609097711.jpg
截图202602281610022561.jpg
回复

使用道具 举报 送花

  • 打卡等级:常住居民III
  • 打卡总天数:158
  • 最近打卡:2026-04-08 10:46:34
已绑定手机

22

主题

2458

回帖

3488

积分

论坛元老

积分
3488
发表于 2026-2-28 16:59:26 | 显示全部楼层
注意我们阳极是段选,阴极要接在38译码器上,给个数码管的公共端接Y0带Y9,刚好8个

段选高是点亮,低是熄灭

看对应关系:

A0 A1 A2
0    0   0       对应Y0输出低电平:
其余类推:




截图202602281659252846.jpg
回复

使用道具 举报 送花

  • 打卡等级:常住居民III
  • 打卡总天数:158
  • 最近打卡:2026-04-08 10:46:34
已绑定手机

22

主题

2458

回帖

3488

积分

论坛元老

积分
3488
发表于 2026-2-28 17:06:13 | 显示全部楼层
对应关系:

A2  A1  A0     Y0----Y7
001                   1
002                   2
003                   3
004                   4
005                   5
006                   6

总之用HC245 和HC138主要是驱动和节约IO口

1.2 实验目的
程序运行后,数码管显示01234567。

硬件资源:

只能直接借用普中开发板的资源
截图202602281705442871.jpg
回复

使用道具 举报 送花

  • 打卡等级:常住居民III
  • 打卡总天数:158
  • 最近打卡:2026-04-08 10:46:34
已绑定手机

22

主题

2458

回帖

3488

积分

论坛元老

积分
3488
发表于 2026-2-28 17:12:41 | 显示全部楼层
旧普中试验箱电路:
截图202602281709074692.jpg
截图202602281712336491.jpg
回复

使用道具 举报 送花

  • 打卡等级:常住居民III
  • 打卡总天数:158
  • 最近打卡:2026-04-08 10:46:34
已绑定手机

22

主题

2458

回帖

3488

积分

论坛元老

积分
3488
发表于 2026-2-28 17:19:47 | 显示全部楼层
P22 P23  P24 控制位码38译码器

P00---P07 控制段码

例如最后1位显示0:

P22--P23 --P24 都为0

P00--P07  取 0x3F




回复

使用道具 举报 送花

  • 打卡等级:常住居民III
  • 打卡总天数:158
  • 最近打卡:2026-04-08 10:46:34
已绑定手机

22

主题

2458

回帖

3488

积分

论坛元老

积分
3488
发表于 2026-2-28 17:37:20 | 显示全部楼层
看看软件部分:

截图202602281737181422.jpg
回复

使用道具 举报 送花

您需要登录后才可以回帖 登录 | 立即注册

本版积分规则

QQ|手机版|深圳国芯人工智能有限公司 ( 粤ICP备2022108929号-2 )

GMT+8, 2026-4-10 01:05 , Processed in 0.109094 second(s), 76 queries .

Powered by Discuz! X3.5

© 2001-2026 Discuz! Team.

快速回复 返回顶部 返回列表