找回密码
 立即注册
楼主: wuzhengmin

跟着何宾老师学习STC32位8051单片机原理及应用-STC32G12K128

[复制链接]
  • 打卡等级:常住居民III
  • 打卡总天数:158
  • 最近打卡:2026-04-08 10:46:34
已绑定手机

22

主题

2458

回帖

3488

积分

论坛元老

积分
3488
发表于 2025-12-2 15:03:36 | 显示全部楼层
可以读取存储器ID号:

好了,第十二课就到这里!
截图202512021503098114.jpg
回复

使用道具 举报 送花

  • 打卡等级:常住居民III
  • 打卡总天数:158
  • 最近打卡:2026-04-08 10:46:34
已绑定手机

22

主题

2458

回帖

3488

积分

论坛元老

积分
3488
发表于 2025-12-4 08:30:33 | 显示全部楼层
今天我们继续跟着何老师和姚总学习第十三课:

第十三集 32位单片机处理器核的内部结构一

截图202512040830312113.jpg
回复

使用道具 举报 送花

  • 打卡等级:常住居民III
  • 打卡总天数:158
  • 最近打卡:2026-04-08 10:46:34
已绑定手机

22

主题

2458

回帖

3488

积分

论坛元老

积分
3488
发表于 2025-12-4 08:33:31 | 显示全部楼层
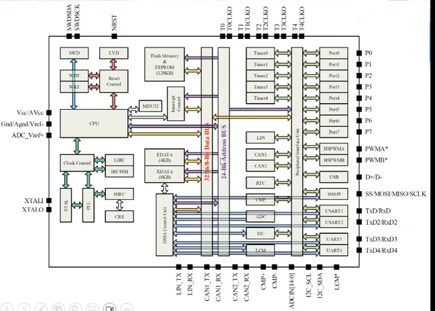
32位单片机处理器核的内部结构
STC32系列单片机处理器核兼容MCS-251 ISA,真正实现了1位/8位/16位和32位的操作
1 下面给出该32位MCU的内部结构
2 从图中可知,处理器核连接到片内的24位地址总线和8/16/32位数据总线

截图202512040833308156.jpg
回复

使用道具 举报 送花

  • 打卡等级:常住居民III
  • 打卡总天数:158
  • 最近打卡:2026-04-08 10:46:34
已绑定手机

22

主题

2458

回帖

3488

积分

论坛元老

积分
3488
发表于 2025-12-4 08:34:28 | 显示全部楼层
从这张20年前的图中可以看出地址总线是24位的,是3个字节来表示的


寻址的范围扩展到3个字节表示的地址空间,8051是寻址16位的地址空间
问题1:如何才能寻址24位地址空间
问题2:要兼容8位机,又有32位的数据总线,数据操纵是8位16位32位都要可以
回复

使用道具 举报 送花

  • 打卡等级:常住居民III
  • 打卡总天数:158
  • 最近打卡:2026-04-08 10:46:34
已绑定手机

22

主题

2458

回帖

3488

积分

论坛元老

积分
3488
发表于 2025-12-4 08:35:05 | 显示全部楼层
原来的256字节现在扩展为4KB
这4KB就是原来的256基本RAM
下面的XDATA8K,就相当于我们原来的扩展SRAM。这样片内就有8+4=12KB。
截图202512040835018340.jpg
回复

使用道具 举报 送花

  • 打卡等级:常住居民III
  • 打卡总天数:158
  • 最近打卡:2026-04-08 10:46:34
已绑定手机

22

主题

2458

回帖

3488

积分

论坛元老

积分
3488
发表于 2025-12-4 09:02:00 | 显示全部楼层
MCS-251 ISA中,对于24位地址总线进行了定义

截图202512040859272568.jpg
回复

使用道具 举报 送花

  • 打卡等级:常住居民III
  • 打卡总天数:158
  • 最近打卡:2026-04-08 10:46:34
已绑定手机

22

主题

2458

回帖

3488

积分

论坛元老

积分
3488
发表于 2025-12-4 09:04:37 | 显示全部楼层
这里的段表示我们访问的是EEPROM还是
EDATA 或者是XDATA,以前8位机通过指令区分访问的是基本存储区还是扩展存储器,是通过mov的后缀:C指Flash或者EEPROM,X就是指访问扩展区域XDATA,mov就是访问基本存储区域。现在不但通过指令,还要通过地址的物理区别来进行:地址的高8位表示是程序区、 或者基本的片内区(称为E)、或者外部扩展区域X
像不像8086的CPU?
使用16位二进制数"yyyy yyyy yyyy yyyy"表示所访问当前段的具体存储单元位置。
截图202512040902597197.jpg
回复

使用道具 举报 送花

  • 打卡等级:常住居民III
  • 打卡总天数:158
  • 最近打卡:2026-04-08 10:46:34
已绑定手机

22

主题

2458

回帖

3488

积分

论坛元老

积分
3488
发表于 2025-12-4 09:06:18 | 显示全部楼层
这里的3个存储器,是物理上真实提供的存储空间,可以直接拿来实验使用的,真实的寻址空间要大很多,16位是可以寻址64KB的。
取决于性能和成本的平衡

截图202512040906152516.jpg
回复

使用道具 举报 送花

  • 打卡等级:常住居民III
  • 打卡总天数:158
  • 最近打卡:2026-04-08 10:46:34
已绑定手机

22

主题

2458

回帖

3488

积分

论坛元老

积分
3488
发表于 2025-12-4 09:09:00 | 显示全部楼层
看这个DMA,直接在存储器和外设之间搬运数据,不用通过CUP,这样 CMP ADC IIC SPI 的速度就快很多,解放了CPU。
截图202512040908596313.jpg
回复

使用道具 举报 送花

  • 打卡等级:常住居民III
  • 打卡总天数:158
  • 最近打卡:2026-04-08 10:46:34
已绑定手机

22

主题

2458

回帖

3488

积分

论坛元老

积分
3488
发表于 2025-12-4 09:27:40 | 显示全部楼层
集成了专用的乘法和除法单元
截图202512040927144199.jpg
截图202512040927375359.jpg
回复

使用道具 举报 送花

您需要登录后才可以回帖 登录 | 立即注册

本版积分规则

QQ|手机版|深圳国芯人工智能有限公司 ( 粤ICP备2022108929号-2 )

GMT+8, 2026-4-10 04:04 , Processed in 0.108885 second(s), 75 queries .

Powered by Discuz! X3.5

© 2001-2026 Discuz! Team.

快速回复 返回顶部 返回列表