找回密码
 立即注册
楼主: wuzhengmin

学习休眠唤醒遇到的问题:1无法开启休眠 2舍弃一下功能后能进入休眠但无法唤醒

[复制链接]
  • 打卡等级:常住居民III
  • 打卡总天数:158
  • 最近打卡:2026-04-08 10:46:34
已绑定手机

22

主题

2458

回帖

3488

积分

论坛元老

积分
3488
发表于 2026-3-2 13:11:48 | 显示全部楼层
u8 gled row[8]{0x00,0x7C,0x82,0x82,0x82,0x7C,0x00,0x00://LED点x阵显示数字0的行数据
u8 gled_col[8]={0x7f,0xbf,0xdf,0xef,0xf7,0xfb,0xfd,0xfe];//LED点阵显示数字0的列数据

的来源就可以理解啦
截图202603021311166445.jpg
回复

使用道具 举报 送花

  • 打卡等级:常住居民III
  • 打卡总天数:158
  • 最近打卡:2026-04-08 10:46:34
已绑定手机

22

主题

2458

回帖

3488

积分

论坛元老

积分
3488
发表于 2026-3-2 13:14:29 | 显示全部楼层
1.2 实验目的在LED点阵屏上显示字符0。

实验硬件和上一个实验一样:

截图202603021314271978.jpg
回复

使用道具 举报 送花

  • 打卡等级:常住居民III
  • 打卡总天数:158
  • 最近打卡:2026-04-08 10:46:34
已绑定手机

22

主题

2458

回帖

3488

积分

论坛元老

积分
3488
发表于 2026-3-2 13:18:16 | 显示全部楼层
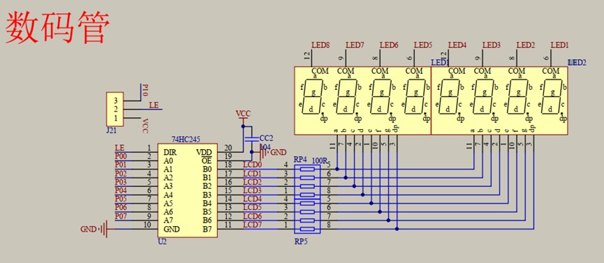
复习一下74HC595管脚连接:

//定义74HC595控制管脚
sbit SRCLK=P3^6;        //移位寄存器时钟输入
sbit RCLK=P3^5;                //存储寄存器时钟输入
sbit SER=P3^4;                 //串行数据输入
这3个脚设置为推挽输出,使能上拉

P0口控制列:
#define LEDDZ_COL_PORT        P0        //点阵列控制端口
截图202603021318432914.jpg
回复

使用道具 举报 送花

  • 打卡等级:常住居民III
  • 打卡总天数:158
  • 最近打卡:2026-04-08 10:46:34
已绑定手机

22

主题

2458

回帖

3488

积分

论坛元老

积分
3488
发表于 2026-3-2 13:26:11 | 显示全部楼层
理论上和LE无关,但实验时候,LED点阵不亮,插拔LE,改变高低电平(使能74H245)对LED点阵是有影响的


截图202603021326085436.jpg
回复

使用道具 举报 送花

  • 打卡等级:常住居民III
  • 打卡总天数:158
  • 最近打卡:2026-04-08 10:46:34
已绑定手机

22

主题

2458

回帖

3488

积分

论坛元老

积分
3488
发表于 2026-3-2 17:53:55 | 显示全部楼层
接着 学习 12.1-直流电机实验-介绍
本讲主要内容
1.直流电机介绍
2.ULN2003芯片介绍
3.硬件设计
4.软件设计
5.实验现象

截图202603021753515174.jpg
回复

使用道具 举报 送花

  • 打卡等级:常住居民III
  • 打卡总天数:158
  • 最近打卡:2026-04-08 10:46:34
已绑定手机

22

主题

2458

回帖

3488

积分

论坛元老

积分
3488
发表于 2026-3-2 18:01:27 | 显示全部楼层
2.ULN2003芯片介绍

截图202603021758069370.jpg
截图202603021801234668.jpg
回复

使用道具 举报 送花

  • 打卡等级:常住居民III
  • 打卡总天数:158
  • 最近打卡:2026-04-08 10:46:34
已绑定手机

22

主题

2458

回帖

3488

积分

论坛元老

积分
3488
发表于 2026-3-2 18:05:16 | 显示全部楼层
1.实验介绍
1.2 实验目的K1键控制直流电机开关。
硬件资源:

截图202603021805134401.jpg
回复

使用道具 举报 送花

  • 打卡等级:常住居民III
  • 打卡总天数:158
  • 最近打卡:2026-04-08 10:46:34
已绑定手机

22

主题

2458

回帖

3488

积分

论坛元老

积分
3488
发表于 2026-3-2 18:09:01 | 显示全部楼层
我们手头板子有关电机的资料:


ULN2003D 的:

输入端是P10----P15

输出端1----4链接电机的专用端子P3  P3一共是5个接口,多一个VCC出来方便链接电机


截图202603021808593447.jpg
回复

使用道具 举报 送花

  • 打卡等级:常住居民III
  • 打卡总天数:158
  • 最近打卡:2026-04-08 10:46:34
已绑定手机

22

主题

2458

回帖

3488

积分

论坛元老

积分
3488
发表于 2026-3-2 18:22:44 | 显示全部楼层
P10输出低电平的时刻,ULN2003是输出高阻态,电机没有电流

当P10输出高电平的时候,ULN2003是输出低电平,电机得电开始转动

看软件设计:
P5.0接K1

P10设置为推挽输出,使能下拉电阻,输出低电平,ULN2003是输出高阻态,电机没有电流默认电机关闭,

想电机转,就给P10高电平,ULN2003是输出低电平,电机得电开始转动

P50---P51,P32 P33设置位高阻输入,使能上拉电阻,接4个开关




截图202603021823023598.jpg
回复

使用道具 举报 送花

  • 打卡等级:常住居民III
  • 打卡总天数:158
  • 最近打卡:2026-04-08 10:46:34
已绑定手机

22

主题

2458

回帖

3488

积分

论坛元老

积分
3488
发表于 2026-3-2 18:52:54 | 显示全部楼层
管脚配置:
截图202603021851423327.jpg
截图202603021852123019.jpg
截图202603021852303601.jpg
截图202603021852512862.jpg
回复

使用道具 举报 送花

您需要登录后才可以回帖 登录 | 立即注册

本版积分规则

QQ|手机版|深圳国芯人工智能有限公司 ( 粤ICP备2022108929号-2 )

GMT+8, 2026-4-10 01:06 , Processed in 0.112208 second(s), 77 queries .

Powered by Discuz! X3.5

© 2001-2026 Discuz! Team.

快速回复 返回顶部 返回列表